Ford Explorer: Электрические компоненты рулевого колеса и колонки / Описание и работа — Электрические компоненты рулевого колеса и колонки — Работа системы и описание компонентов

Руководство по эксплуатации Форд Эксплорер 2020-2023 гг. / Шасси / Рулевая система / Электрические компоненты рулевого колеса и колонки / Описание и работа - Электрические компоненты рулевого колеса и колонки - Работа системы и описание компонентов

Работа системы

Схема системы — обычный замок зажигания


Элемент Описание
1 Замок зажигания
2 НАЧИНАТЬ
3 АКК
4 НА
5 HS-CAN1
6 Рычаг переключения передач
7 Соленоид блокировки ключа зажигания
8 ПКМ
9 млрд кубометров
10 GWM
11 Реле запуска/пуска

Таблица сетевых сообщений — обычный выключатель зажигания

Сетевые входные сообщения модуля GWM


Трансляция сообщение Исходный модуль Сообщение Цель
Состояние зажигания млрд кубометров Информирует GWM о текущем статусе зажигания; выкл, вкл, старт, неизвестно или недействительно.

Сетевые входные сообщения модуля PCM


Трансляция сообщение Исходный модуль Сообщение Цель
Состояние зажигания млрд кубометров Информирует PCM о текущем статусе зажигания; выкл, вкл, старт, неизвестно или недействительно.

Система выключателя зажигания

BCM управляет режимами зажигания, включая OFF, ACC, ON и START. Этот позволяет активировать некоторые системы без запуска автомобиля.

BCM постоянно подает напряжение на замок зажигания. В зависимости от положение ключа зажигания, напряжение может подаваться на один или два входные цепи замка зажигания обратно к BCM.

ВЫКЛЮЧЕННЫЙ

Когда ключ зажигания находится в положении OFF, он размыкается, предотвращая попадание любых сигналов напряжения на BCM. Когда BCM не обнаруживает напряжение ни в одной из цепей, предназначенных для режима зажигания, он интерпретирует это как режим выключения зажигания.

BCM сообщает режим зажигания другим модулям, отправляя сообщение о состоянии зажигания по CAN, и не включает никакие реле, чтобы предотвратить распределение напряжения на различные электрические системы.

АКК

Когда ключ зажигания находится в положении ACC, переключатель направляет напряжение через цепь, обозначенную ACC, на BCM. BCM интерпретирует это как вспомогательный режим зажигания.

BCM сообщает о режиме зажигания другим модулям, отправляя сообщение о состоянии зажигания по шине CAN, и включает реле, предназначенные для аксессуаров, и подает питание на некоторые электрические системы.

НА

Когда ключ зажигания находится в положении ON, выключатель подает напряжение через цепи, обозначенные ACC и ON, к BCM. BCM интерпретирует это как включение зажигания.

BCM сообщает режим зажигания другим модулям, отправляя сообщение о состоянии зажигания по шине CAN, и активирует внутреннее реле запуска/запуска, обеспечивая подачу питания на различные системы и модули автомобиля.

НАЧИНАТЬ

Когда переключатель зажигания находится в положении START, переключатель напряжение через цепи, обозначенные как ON и START, к BCM.

BCM интерпретирует это как режим запуска зажигания и сообщает режим зажигания другим модулям путем отправки сообщения о состоянии зажигания по CAN. Кроме того, выключатель зажигания подает напряжение на PCM, указывая запрос на запуск двигателя.

Цепь, обозначенная как START, используется только для запуска автомобиля.

Блокировка ключа зажигания

Функция блокировки ключа зажигания не позволяет личинке замка зажигания поворачивается в положение OFF/LOCK, когда автомобиль не находится в положении PARK.

Соленоид блокировки извлечения ключа постоянно получает напряжение от аккумулятора. Цепь заземления электромагнитного клапана блокировки извлечения ключа разомкнута к выключателю обнаружения парковки на рычаге селектора в сборе. Земля управляется BCM.

Когда рычаг селектора находится в положении PARK, переключатель обнаружения парковки внутри узел рычага селектора открыт, что препятствует срабатыванию соленоида. Когда рычаг селектора перемещается из положения PARK, переключатель замыкается и замыкает цепь до BCM.

BCM контролирует землю с помощью полевого транзистора (FET). BCM включает путь к земле, когда обнаруживает, что транспортное средство не находится в ПАРКОВКЕ, на основе сообщений, полученных по CAN.

Когда рычаг селектора находится в положении PARK, соленоид блокировки вынимания ключа деактивирует и позволяет повернуть личинку замка зажигания в OFF/LOCK, чтобы вынуть ключ.

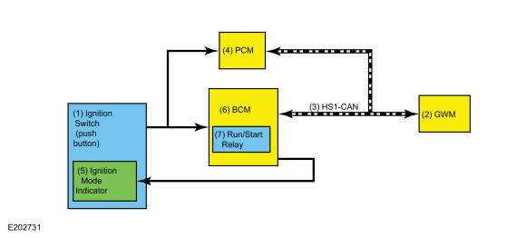
Схема системы — кнопочный выключатель зажигания


Элемент Описание
1 HS-CAN1
2 Замок зажигания (кнопка)
3 GWM
4 ПКМ
5 Индикатор режима зажигания
6 млрд кубометров
7 Реле запуска/пуска

Таблица сетевых сообщений — кнопочный выключатель зажигания

Сетевые входные сообщения модуля GWM


Трансляция сообщение Исходный модуль Сообщение Цель
Состояние зажигания млрд кубометров Информирует GWM о текущем статусе зажигания; выключено, запущено, запущено, неизвестно или недействительно.

Сетевые входные сообщения модуля PCM


Трансляция сообщение Исходный модуль Сообщение Цель
Состояние зажигания млрд кубометров Информирует PCM о текущем статусе зажигания; выключено, запущено, запущено, неизвестно или недействительно.

Кнопочный выключатель зажигания

Кнопочный выключатель зажигания управляет режимом зажигания.

Есть 2 цепи BCM мониторы от кнопочного выключателя зажигания, чтобы изменить зажигание режим. Одна цепь контролируется на напряжение, а другая на землю. сигнал. При нажатии кнопки СТАРТ/СТОП один контур маршрутизируется напряжение аккумулятора к BCM, в то время как сигнал напряжения от BCM на второй цепи направляется на землю, указывая на запрос на изменить режим зажигания. Изменение режима зажигания с OFF работает в совместно с ПАТС. BCM должен распознать действительный запрограммированный ключ, прежде чем он изменит режим зажигания с OFF.
См.: Электрические компоненты рулевого колеса и колонки — работа системы и описание компонентов (211-05 Электрические компоненты рулевого колеса и колонки, описание и работа).

Обратитесь к следующей таблице за информацией о достижении различных режимов зажигания.

Состояние входа в зажигание Желаемый режим зажигания Действия, которые нужно предпринять
Выключенный ВКЛ (двигатель выключен) Нажмите кнопку СТАРТ/СТОП, не нажимая педаль тормоза.
Выкл. или вкл. НАЧИНАТЬ Нажмите педаль тормоза, а затем нажмите кнопку СТАРТ/СТОП.
Включен (двигатель выключен) ВЫКЛЮЧЕННЫЙ Нажмите кнопку СТАРТ/СТОП.
Горит (двигатель работает) ВЫКЛЮЧЕННЫЙ Нажмите и удерживайте кнопку СТАРТ/СТОП.

Светодиодный индикатор режима зажигания

Светодиод режима зажигания показывает режим зажигания автомобиля. BCM контролирует напряжение на светодиодном индикаторе режима зажигания. См. следующую таблицу.

Режим зажигания Светодиодный индикатор режима зажигания
Выключенный Выключенный
Включен (двигатель выключен) мигает
Горит (двигатель работает) На

ВЫКЛЮЧЕННЫЙ

BCM управляет реле, подающими напряжение на бортовую сеть автомобиля. системы. Когда зажигание находится в режиме ON, однократное нажатие и отпускание кнопки СТАРТ/СТОП (без нажатия на педаль тормоза) изменяет зажигание в выключенном состоянии. Для изменения запрограммированного ключа не требуется зажигание в положение OFF при движении автомобиля.

Если автомобиль находится в движении, кратковременное нажатие кнопки СТАРТ/СТОП не глушит машину. Если автомобиль движется со скоростью более 15 км/ч (9 миль/ч) необходимо нажать кнопку START/STOP и удерживайте дольше одной секунды (или нажмите 3 раза в течение 2 секунд), чтобы выключите зажигание.

Когда BCM изменяет режим зажигания на OFF, он передает режим зажигания на другие модули, отправив сообщение о состоянии зажигания по CAN.

НА

Когда зажигание находится в режиме ON, BCM активирует реле запуска/пуска для подачи напряжения на автомобиль электрических систем и сообщает режим зажигания другим модулей, отправив сообщение о состоянии зажигания по шине CAN.

Когда автомобиль переходит в режим ON, загораются несколько индикаторов в IPC, и IPC отображает выбранную передачу и пробег автомобиля.

НАЧИНАТЬ

Если педаль тормоза нажимается при нажатии кнопки СТАРТ/СТОП, а в автомобиле обнаружен действительный ключ, автомобиль временно в режим СТАРТ.

В дополнение к активации реле запуска/запуска модуль BCM передает другим модулям информацию о режиме зажигания, отправляя по шине CAN сообщение о состоянии зажигания.

После зажигание завершило последовательность запуска автомобиля, зажигание режим возвращается в положение ON, а индикатор режима зажигания в замке зажигания переключатель горит постоянно.

Двигатель может быть запущен из любого режима зажигания.

Схема системы — рулевое колесо с подогревом


Элемент Описание
1 Рулевое колесо с подогревом
2 SCCM
3 GWM
4 Датчик температуры
5 Нагревательный элемент
6 HS-CAN2
7 ОВКВ
8 Переключатель обогрева рулевого колеса
9 МС-CAN

Таблица сетевых сообщений — Рулевое колесо с подогревом

Входные сообщения SCCMNetwork


Трансляция сообщение Исходный модуль Сообщение Цель
Состояние мощности двигателя ПКМ Указывает SCCM, работает ли двигатель.
Состояние зажигания млрд кубометров Указывает, какой режим зажигания активен.
Запрос на подогрев руля ФКИМ Для активации функции обогрева рулевого колеса при нажатии сенсорной кнопки на FDIM или при выполнении условий для включения обогрева рулевого колеса (и обогрева сидений) при дистанционном запуске.

Сетевые входные сообщения модуля FCIM


Трансляция сообщение Исходный модуль Сообщение Цель
Статус управления подогревом рулевого колеса АПИМ Сообщает FCIM, что на FDIM была нажата кнопка сенсорного экрана рулевого колеса с подогревом.
Данные о внешней температуре окружающей среды МПК Используется FCIM при определении того, достаточно ли холодны внешние условия, чтобы запросить подогрев рулевого колеса активируется во время операции дистанционного запуска.

Рулевое колесо с подогревом

Когда двигатель работает и SCCM получает запрос на подогрев рулевого колеса, SCCM подает напряжение и массу на нагревательные элементы рулевого колеса (неотъемлемая часть рулевого колеса), чтобы нагреть рулевое колесо до температура примерно 82-94°F (28-34°C). Рулевое управление с подогревом Температура колеса поддерживается SCCM с помощью датчика температуры в рулевом колесе.

SCCM предназначен для того, чтобы оставаться включенным, нагревая рулевое колесо и поддерживая температуру до тех пор, пока не будет отключен FDIM или зажигание.

Органы управления и индикаторы системы обогрева рулевого колеса расположены только на FDIM (сенсорном экране). FDIM не обменивается данными ни с одной сетью и подключается напрямую к APIM.

Система дистанционного запуска

система обогрева рулевого колеса (вместе с подогревом передних сидений) может быть настроен с использованием центра сообщений для активации (на основе внешних температуры) при использовании функции дистанционного запуска. Во время дистанционного запуска температура наружного воздуха постоянно контролируется системой HVAC система. Активация системы обогрева рулевого колеса изменяется, если температура наружного воздуха меняется с холодной на умеренную или теплую или наоборот от умеренных или теплых до холодных температур.

Компонент Описание

Обычный выключатель зажигания

Замок зажигания представляет собой многопозиционный поворотный переключатель, управляемый личинкой замка и ключом. Выключатель зажигания контролируется модулем BCM, который регулирует напряжение различных электрических систем в зависимости от входного сигнала от выключателя зажигания.

Соленоид блокировки извлечения ключа (внутренний по отношению к замку зажигания) является соленоид с электронным управлением, предотвращающий блокировку зажигания цилиндр от поворота в положение OFF/LOCK, если селектор рычаг находится в положении ПАРКОВКА. Это также препятствует тому, чтобы ключ снят с личинки замка зажигания.

Кнопочный выключатель зажигания

Кнопочный переключатель зажигания представляет собой переключатель мгновенного действия с двумя контактами, который обеспечивает прямой вход в BCM и PCM. Оба набора контактов нормально разомкнуты. Когда кнопка СТАРТ/СТОП при нажатии один набор контактов подает сигнал заземления на BCM, а другой набор контактов подает напряжение на BCM и PCM.

Светодиодный индикатор режима зажигания расположен в верхней части кнопки START/STOP и управляется BCM.

Модуль управления рулевой колонкой

SCCM управляет нагревательными элементами рулевого колеса. SCCM использует датчик температуры рулевого колеса для поддержания температуры рулевого колеса. SCCM предназначен для того, чтобы оставаться включенным, нагревая рулевое колесо и поддерживая температуру до тех пор, пока не будет отключен с помощью FDIM или выключено зажигание.

При замене SCCM требуется PMI.

Модуль управления кузовом

BCM управляет реле запуска / запуска и устанавливает режим зажигания автомобиля на основе на входах от замка зажигания. Он сообщает о режиме зажигания другие модули по CAN. Если в системе выключателя зажигания обнаруживается неисправность, в BCM устанавливаются диагностические коды неисправностей (DTC).

Для BCM требуется запрограммировать как минимум 2 ключа и PMI при замене. Кроме того, необходимо выполнить процедуру сброса параметров.

Описание и работа — электрические компоненты рулевого колеса и рулевой колонки — обзор

Обзор переключателей на рулевой колонке переключатели на рулевой колонке расположены на рулевой колонке и вокруг нее. Они позволяют водителю управлять различными функциями автомобиля, одновременно оставаясь сосредоточенным на..

Диагностика и тестирование — электрические компоненты рулевого колеса и рулевой колонки

Таблица диагностических кодов неисправностей (DTC) Диагностика, описанная в данном руководстве, предполагает наличие определенного уровня навыков и знаний методов диагностики, характерных для Ford. СМ.: Методы диагностики (100-00 Общая информация).

Дополнительная информация:

Руководство по эксплуатации Ford Explorer 2020-2023: Получение необходимых услуг


Гарантийный ремонт автомобиля должен выполняться официальным дилером. Пока любой авторизованный дилер, работающий с вашей линейкой автомобилей, обеспечит гарантийное обслуживание, мы рекомендуем вам вернуться к вашему авторизованному дилеру, который хочет убедиться, что вы дальнейшее удовлетворение...

Руководство по эксплуатации Ford Explorer 2020-2023: таблица характеристик предохранителей


Блок предохранителей в моторном отсеке ВНИМАНИЕ: Всегда отсоединяйте аккумуляторную батарею перед обслуживанием сильноточных предохранителей. ПРЕДУПРЕЖДЕНИЕ. Чтобы снизить риск поражения электрическим током, всегда устанавливайте крышку на место. распределительную коробку перед повторным подключением аккумуляторной батареи или заправкой резервуаров для жидкости...

Категории

Блокировка и разблокировка

Для блокировки и разблокировки можно использовать блок управления дверным замком с электроприводом или пульт дистанционного управления. ваш автомобиль.

Замки с электроприводом

Управление дверным замком с электроприводом находится на панелях дверей водителя и переднего пассажира.

читать далее

Каталог запчастей к Ford Explorer