Ford Explorer: Стеклоочистители и омыватели / Описание и работа - Стеклоочистители и омыватели - Работа системы и описание компонентов

Руководство по эксплуатации Форд Эксплорер 2020-2023 гг. / Кузов и краска / Кузов и краска / Дворники и омыватели / Описание и работа - Стеклоочистители и омыватели - Работа системы и описание компонентов

Работа системы

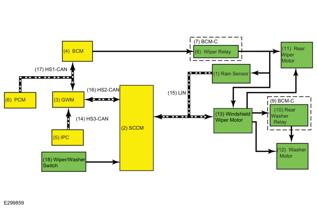
Схема системы


Элемент Описание
1 Переключатель стеклоочистителя/омывателя
2 Датчик дождя
3 Двигатель омывателя
4 SCCM
5 Мотор стеклоочистителя
6 GWM
7 млрд кубометров
8 МПК
9 ПКМ
10 BCMC
11 Реле стеклоочистителя
12 BCMC
13 Реле омывателя заднего стекла
14 Мотор заднего стеклоочистителя

Таблица сетевых сообщений

Сетевые входные сообщения SCCM


Трансляция сообщение Исходный модуль Сообщение Цель
Скорость автомобиля ПКМ SCCM использует информацию о скорости автомобиля для включения функции стеклоочистителя, чувствительного к скорости.
Конфигурация функции центра сообщений МПК SCCM использует конфигурацию функции центра сообщений для включения/отключения функций очистки в салоне автомобиля и работы стеклоочистителей, чувствительных к дождю.
Чувствительность дождя ВКЛ/ВЫКЛ МПК Используется SCCM для включения и выключения функции датчика дождя.
Включение/выключение любезного стирания МПК Используется SCCM для включения и выключения функции бесплатной очистки.
Трансмиссия в обратном направлении ПКМ Используется SCCM для включения функции очистки заднего хода.

Сетевые входные сообщения BCM


Трансляция сообщение Исходный модуль Сообщение Цель
Статус переднего дворника SCCM BCM использует информацию о состоянии передних стеклоочистителей для работы функции включения стеклоочистителей фар.

Дворники

Реле стеклоочистителя находится под напряжением при включенном зажигании и подает напряжение на электродвигатель стеклоочистителя и датчик дождя.

SCCM контролирует входы переключателя стеклоочистителя/омывателя и отправляет данные переключателя стеклоочистителя/омывателя на электродвигатель стеклоочистителя через цепь LIN.

Основанный на на входе двигатель стеклоочистителя активирует соответствующий стирка, низкий, высокий и прерывистый режим или режим датчика дождя. Логика работа стеклоочистителя содержится в двигателе стеклоочистителя ветрового стекла.

Когда переключатель стеклоочистителя/омывателя находится в положении высокой скорости, ветровое стекло мотор стеклоочистителя также получает сигнал заземления непосредственно от SCCM, обход логики в модуле электродвигателя стеклоочистителя ветрового стекла. Этот Цепь отказоустойчивости гарантирует, что дворники ветрового стекла работают в высоком скоростной режим в случае сбоя связи LIN.

Туманная салфетка

Когда активирована функция туманообразования, SCCM отправляет запрос на электродвигатель стеклоочистителя со стороны водителя по LIN для выполнения однократного очистки ветрового стекла. Стеклоочистители ветрового стекла работают до тех пор, пока активна функция туманообразования.

Омыватель ветрового стекла

Когда переключатель стеклоочистителя/омывателя активирован, SCCM отправляет запрос омывателя на электродвигатель стеклоочистителя по LIN. Реле омывателя ветрового стекла находится внутри электродвигателя стеклоочистителя. Когда двигатель очистителя ветрового стекла включает реле омывателя ветрового стекла, напряжение подается на насос омывателя, направляя омывающую жидкость в ветровое стекло. При наличии фронтальной камеры также можно использовать растворитель для омывателя. направлен на объектив передней камеры, когда работает насос омывателя. Когда переключатель отпускается, электродвигатели стеклоочистителей продолжают работать. активировать для 3 дополнительных салфеток, а затем выключить.

Масса насоса омывателя обеспечивается через реле омывателя заднего стекла, расположенное в BCM-C.

любезно стереть

Если переключатель стеклоочистителя/омывателя выключен, происходит дополнительная очистка для очистки жидкости, оставшейся после того, как цикл стирки был задан и завершен.

Прерывистые дворники

Когда переключатель стеклоочистителя/омывателя находится в прерывистом режиме, ветровое стекло моторы стеклоочистителей включаются через определенные промежутки времени. Чем ниже параметр, тем увеличить интервал между салфетками.

Стеклоочистители, зависящие от скорости

Когда переключатель стеклоочистителя/омывателя находится в любом прерывистом режиме, кроме самая низкая настройка, функция, зависящая от скорости, увеличивает частоту стеклоочистителей по мере увеличения скорости автомобиля, чтобы компенсировать влага, скапливающаяся на лобовом стекле.

SCCM получает данные о скорости автомобиля от PCM. Затем SCCM отправляет данные о скорости автомобиля на двигатель стеклоочистителя со стороны водителя через LIN.

Стеклоочистители, чувствительные к дождю (при наличии)

Когда чувствительный к дождю стеклоочиститель заменяет прерывистый функция дворников. Функция чувствительности к дождю активна, когда Переключатель стеклоочистителя/омывателя находится в любом из 6 автоматических/прерывистых режимов чувствительности. настройки. Настройка, ближайшая к OFF, наименее чувствительна к влаге. самая высокая настройка является наиболее чувствительной к влаге.

Датчик дождя отправляет данные по LIN к моторчику стеклоочистителя. По данным, полученным от дождя датчик и автоматический/прерывистый режим с переключателя стеклоочистителя/омывателя, система автоматически активирует и регулирует скорость стеклоочистителей и частота при обнаружении влаги на лобовом стекле.

Если неисправность обнаружена с функцией чувствительности к дождю, ветровое стекло дворники переходят в прерывистый режим по умолчанию. Время работы дворников соответствуют стандартной прерывистой настройке, основанной на автоматическая/прерывистая настройка чувствительности на переключателе стеклоочистителя/омывателя.

Внешние фары, активируемые стеклоочистителями

BCM включает наружные фонари в течение 10 секунд после включения стеклоочистителей включается переключателем стеклоочистителя/омывателя, когда переключатель фар в положении АВТО. Приблизительно через 30 секунд после того, как ветровое стекло дворники выключаются, BCM выключает наружные фонари.

Если стеклоочистители оснащены чувствительными к дождю стеклоочистителями, а переключатель фар находится в положении AUTO, BCM включает наружные фонари, когда дворники, чувствительные к дождю, активируется влагой, обнаруженной на ветровом стекле, когда фара переключатель находится в положении AUTO. Вскоре после дождя чувствительные дворники деактивированы (влага больше не обнаруживается на ветровом стекле), BCM выключает наружные фонари.

Стеклоочиститель заднего стекла

Когда переключатель стеклоочистителя/омывателя находится в положении INT 1 или INT 2 (непрерывный режим стеклоочистителя), SCCM отправляет запрос на электродвигатель стеклоочистителя через LIN. Когда запрос получен, мотор стеклоочистителя на мгновение подает заземление на двигатель стеклоочистителя заднего стекла, приводящий в действие двигатель. положение переключателя стеклоочистителя/омывателя определяет, сколько раз в минуту двигатель стеклоочистителя обеспечивает заземление для активации заднего стекла мотор стеклоочистителя.

Электродвигатель стеклоочистителя заднего стекла является самостоятельным.

Омыватель заднего стекла

Когда переключатель омывателя заднего стекла активирован, SCCM отправляет запрос на электродвигатель стеклоочистителя через LIN. Электродвигатель очистителя ветрового стекла подает питание на реле заднего омывателя (расположенное в BCM-C) и активирует электродвигатель стеклоочистителя заднего стекла. Когда электродвигатель очистителя ветрового стекла включает реле омывателя заднего стекла, напряжение насос омывателя, направляющий омывающую жидкость на заднее стекло. При наличии задней камеры растворитель омывателя также направляется на Объектив задней камеры, когда насос омывателя активен. Когда переключатель отпущен, мотор очистителя заднего стекла продолжает работать в течение 3 дополнительные вайпы и потом выключается.

Масса для насоса омывателя обеспечивается через реле омывателя ветрового стекла в двигателе стеклоочистителя.

Схема системы — стояночный дворник с подогревом (при наличии)


Элемент Описание
1 FCIMB
2 Парковочная решетка стеклоочистителя с подогревом
3 АПИМ
4 GWM
5 Микрофон
6 ОВКВ
7 BCMC
8 ПКМ

Таблица сетевых сообщений

Сетевые входные сообщения FCIM


Трансляция сообщение Исходный модуль Сообщение Цель
Запросы климат-контроля АПИМ Содержит запрос на оттаивание заднего стекла. информация. При обогреве заднего стекла и парковке дворников функции запрашиваются с помощью голосовой команды или кнопка выбрана на сенсорный экран, этот вход активирует систему обогрева заднего стекла и парковочная решетка стеклоочистителя с подогревом.
Температура окружающего воздуха ПКМ FCIM использует информацию о температуре окружающего воздуха для работы функции парковки стеклоочистителей с подогревом.

Парковка дворников с подогревом (при наличии)

Функция парковки стеклоочистителей с подогревом работает в сочетании с подогревом. работа лобового стекла. Когда активирована функция обогрева ветрового стекла (с помощью голосовой команды, сенсорного экрана или при нажатии кнопки MAX разморозки). нажата на FCIM) и температура окружающего воздуха ниже 32° F (0° C), FCIM активирует реле обогрева ветрового стекла и реле парковки стеклоочистителей с подогревом путем заземления катушек реле. Затем реле парковки стеклоочистителей с подогревом подает напряжение на обогреваемую парковочную решетку стеклоочистителя в лобовом стекле.

FCIM отключает реле обогрева ветрового стекла и парковочное реле стеклоочистителей при выполнении любого из следующих условий:

  • Кнопка MAX разморозки нажимается, когда функция активна.
  • Состояние зажигания меняется на OFF.
  • Заданный таймер завершает работу.
  • Напряжение батареи упало ниже указанного порога (стратегия управления нагрузкой).

Компонент Описание

Переключатель стеклоочистителя/омывателя

Переключатель стеклоочистителя/омывателя установлен непосредственно на SCCM. Входы стеклоочистителя/омывателя ветрового стекла в SCCM:

  • Туманная салфетка (без полицейского пакета)
  • Омыватель лобового стекла
  • Выключенный
  • АВТО 1/INT 1
  • АВТО 2/INT 2
  • АВТО 3/INT 3
  • АВТО 4/INT 4
  • АВТО 5/INT 5
  • АВТО 6/INT 6
  • Низкий
  • Высокий

Входы заднего стеклоочистителя/омывателя на SCCM:

  • Выключенный
  • ИНТ 1
  • INT 2 (непрерывная очистка)
  • Мойка заднего стекла

Мотор стеклоочистителя

Двигатель стеклоочистителя — это интеллектуальный двигатель, который получает запросы режима от SCCM через LIN. Электродвигатель стеклоочистителя постоянно отслеживает входные сигналы переключателя стеклоочистителя/омывателя от SCCM. и датчик дождя (при наличии) при включенном зажигании. На основе входы переключателя стеклоочистителя/омывателя от SCCM, электродвигатель стеклоочистителя активируется для достижения запрошенного режима.

Электродвигатель стеклоочистителя крепится к узлу стеклоочистителя и рычажного механизма.

Насос омывателя

Насос омывателя управляется электродвигателем стеклоочистителя. Передняя и Система заднего омывателя имеет один и тот же бачок омывателя и двунаправленный насос омывателя. Насос омывателя подает омывающую жидкость на ветровое стекло. когда мотор очистителя ветрового стекла активирует реле омывателя ветрового стекла (внутри двигателя стеклоочистителя), который подает напряжение на насос омывателя. Масса насоса омывателя осуществляется через заднюю реле омывателя (находится в BCM-C). При включении насос омывателя подает омывающую жидкость на лобовое стекло.

Когда электродвигатель стеклоочистителя включает реле заднего омывателя, задний Реле омывателя подает напряжение на насос омывателя. Земля под стиральную машину насос подается через реле омывателя ветрового стекла (внутреннее по отношению к мотор стеклоочистителя). При активации насос подает омывающую жидкость к заднему стеклу.

Датчик дождя

датчик дождя использует инфракрасный луч для оптического обнаружения воды на ветровое стекло. Интенсивность отраженного луча измеряется и сравнивается к интенсивности проходящего луча. Если есть вода на поверхность лобового стекла, луч искажается, уменьшая интенсивность луч. Если луч не отражается полностью, это интерпретируется как дождь на ветровом стекле и стеклоочистители активируются.

А гелевая линза встроена в датчик дождя и действует как интерфейс между датчиком дождя и лобовым стеклом. Если объектив отсутствует или повреждены, дворники с датчиком дождя могут выйти из строя, а датчик необходимо заменить.

Мотор заднего стеклоочистителя

Электродвигатель стеклоочистителя заднего стекла содержит встроенное реле и одну скорость. мотор. Когда двигатель очистителя ветрового стекла кратковременно включает встроенное реле в электродвигатель заднего стеклоочистителя, стеклоочиститель заднего стекла активирует. Встроенное реле используется для продолжения работы стеклоочистителя заднего стекла. и припаркуйте мотор стеклоочистителя.

Парковка дворников с подогревом (при наличии)

В лобовое стекло вмонтирована парковочная решетка стеклоочистителя с подогревом. расположение парковочного положения щетки стеклоочистителя. В случае повреждения обогрев парковочной решетки стеклоочистителя не может обслуживаться отдельно от лобовое стекло, необходимо установить новое лобовое стекло.

Описание и работа — Стеклоочистители и омыватели — Обзор

Обзор Система стеклоочистителей/омывателей ветрового стекла активируется переключателем стеклоочистителей/омывателей. Переключатель стеклоочистителя/омывателя либо установлен на правой стороне SCCM (без полицейского пакета) или интегрирован..

Диагностика и тестирование — стеклоочистители и омыватели

Таблица диагностических кодов неисправностей (DTC) Диагностика, описанная в данном руководстве, предполагает наличие определенного уровня навыков и знаний методов диагностики, характерных для Ford. СМ.: Методы диагностики (100-00 Общая информация).

Дополнительная информация:

Руководство по обслуживанию Ford Explorer 2020-2023: диагностика и проверка - система подвески


Предварительный осмотр Дорожные испытания автомобиля. Если имеются какие-либо проблемы с регулировкой подвески или высотой дорожного просвета, ОБРАЩАЙТЕСЬ к Таблице симптомов: Система подвески. Подтвердите беспокойство клиента, проведя дорожное испытание на гладкой дороге. Если присутствуют какие-либо вибрации, ОБРАТИТЕСЬ к Таблице признаков: НВХ...

Руководство по обслуживанию Ford Explorer 2020-2023: Технические характеристики


Основные Характеристики ПРИМЕЧАНИЕ: Размеры указаны при снаряженной нагрузке. Снаряженная нагрузка определяется как «полные эксплуатационные жидкости, полный топливный бак(и), без пассажиров и без груза». Элемент Спецификация Прогиб шарового шарнира Ниже 0-0...

Каталог запчастей к Ford Explorer