Hyundai Elantra: принципиальные схемы системы AVN / пульта дистанционного управления AVN

Принципиальная электрическая схема

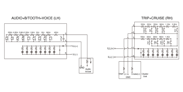
[Аудио + B/Зуб + Голос]

[Путешествие]

[Поездка / Круиз]

[Поездка/Круиз/Умный круиз]

Компоненты пульта дистанционного управления AVN и расположение компонентов
Компоненты 1. Левый переключатель дистанционного управления (аудио + громкая связь)2. Правый переключатель дистанционного управления (Круиз+бортовой компьютер) ...
Процедуры ремонта пульта дистанционного управления AVN
осмотр 1. Проверьте сопротивление между клеммами в каждом положении переключателя (левое). [Л: Аудио + Громкая связь] ПереключательКонтакт разъемаСопротивление(±5%)SEEK Up2-5430 ?SEEK Down1.11 k?MODE2.11 k?MUT ...
Дополнительная информация:

Hyundai Elantra AD (2016-2020) Руководство по обслуживанию: Порядок ремонта
осмотр Прокачка системы ABS Эта процедура должна выполняться для обеспечения адекватного кровотечения. воздуха и наполнения блока ESC, тормозных магистралей и главного цилиндра с тормозной жидкостью. 1. Снимите крышку бачка и наполните бачок тормозной жидкостью. • Если ...

Hyundai Elantra AD (2016-2020) Руководство по эксплуатации: Работа системы
Вентиляция 1. Выберите режим «Уровень лица». 2. Установите регулятор подачи воздуха в положение подачи наружного (свежего) воздуха. 3. Установите регулятор температуры в нужное положение. 4. Установите регулятор скорости вентилятора на желаемую скорость. Обогрев 1. Выберите режим «Уровень пола». 2. Установите регулятор подачи воздуха в положение t ...