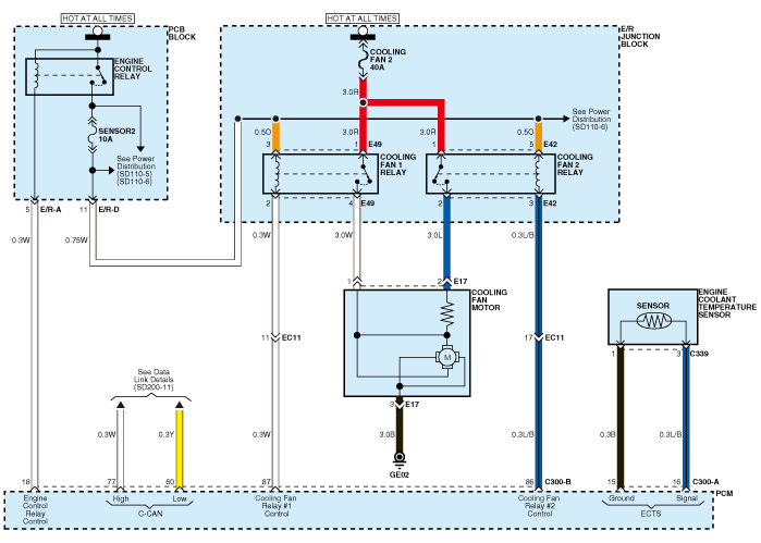
Hyundai Elantra: Схема системы охлаждения / Вентилятор охлаждения

Принципиальная электрическая схема

Технические характеристики охлаждающего вентилятора
Технические характеристики ПараметрСпецификацияТип вентилятораСъемникРегулятор скорости вращения вентилятора Резистор (HI-LOW-OFF)Расход воздуха [м?/ч (ярд?/ч)]1 950 -8 % мин. Скорость вентилятора (об/мин)1 650 ± 8 %Ток (A)11,7 + 10 % макс. . ...
Процедуры ремонта охлаждающего вентилятора
Снятие и установка Узел охлаждающего вентилятора 1. Отсоедините отрицательную клемму аккумуляторной батареи. 2. Снимите воздуховод и воздушный фильтр в сборе. (См. Система впуска и выпуска - "Воздушный фильтр...
Дополнительная информация:

Hyundai Elantra AD (2016-2020) Руководство по эксплуатации: Крепление детского сиденья с помощью системы «Tether Anchor»
Сначала закрепите детское удерживающее устройство нижними креплениями LATCH или ремнем безопасности. Если производитель детского удерживающего устройства рекомендует прикреплять верхнюю лямку, прикрепите и затяните лямку верхнего страховочного троса к креплению лямки верхнего страховочного троса. Держатели крючков для детских удерживающих устройств находятся на упаковке...

Hyundai Elantra AD (2016-2020) Руководство по эксплуатации: Система классификации пассажиров (OCS)
■ Тип А ■ Тип Б Ваш автомобиль оснащен системой классификации пассажиров (OCS) в сиденье переднего пассажира. ...