Hyundai Elantra: электрические стеклоподъемники / электрические стеклоподъемники Компоненты и расположение компонентов

Hyundai Elantra AD (2016-2020) Руководство по ремонту / Электрическая система кузова / Электрические стеклоподъемники / Компоненты переключателя стеклоподъемников и расположение компонентов

Компоненты
[Переключатель стеклоподъемника водителя]

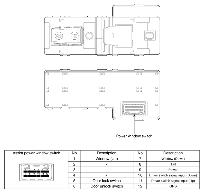
[Вспомогательное переключение стеклоподъемников]

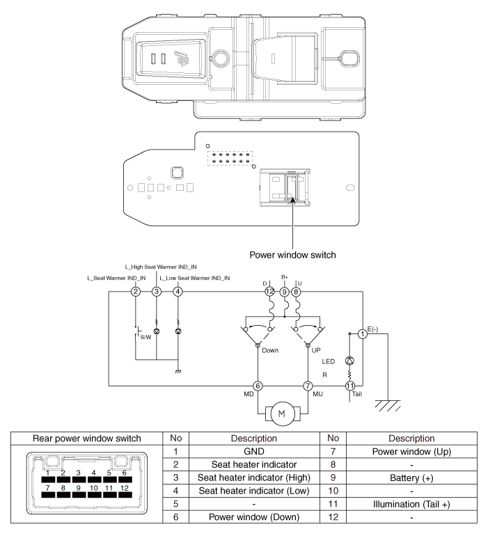
[Переключатель заднего стеклоподъемника]

Процедуры ремонта электродвигателя стеклоподъемника
осмотр • Оберните защитной лентой инструмент для разборки с помощью отвертки или съемника. • Соблюдайте осторожность при хранении и обращении во время разборки/сборки ...
Принципиальные схемы переключателей стеклоподъемников
Принципиальная электрическая схема Переключатель стеклоподъемника водителя [Переключатель стеклоподъемника водителя (безопасность)] [Переключатель стеклоподъемника водителя (автоматическое опускание)] Вспомогательный переключатель стеклоподъемников Переключатель заднего стеклоподъемника [Задняя мощность Wi ...
Дополнительная информация:

Hyundai Elantra AD (2016-2020) Руководство по эксплуатации: Режим пользовательских настроек
В этом режиме можно изменить настройки комбинации приборов, дверей, ламп, и т. д. 1. Помощь водителю 2. Дверь 3. Свет 4. Звук 5. Удобство 6. Сервисный интервал 7. Другое 8. Язык 9. Сброс Предоставленная информация может отличаться в зависимости от того, какие функции применимы к ...

Hyundai Elantra AD (2016-2020) Руководство по техническому обслуживанию: Переключатель зеркал заднего вида с электроприводом Процедуры ремонта
осмотр [Переключатель стеклоподъемника] 1. Отсоедините отрицательную (-) клемму аккумуляторной батареи. 2. Снимите обивку водительской двери. (См. Кузов — «Облицовка передней двери») 3. Отсоедините разъем переключателя зеркал с электроприводом от обивки двери. 4. Проверьте целостность цепи между клеммами в каждом положении переключателя...