Hyundai Genesis: схематические схемы системы охлаждения / активной воздушной заслонки (AAF)

Схематическая диаграмма

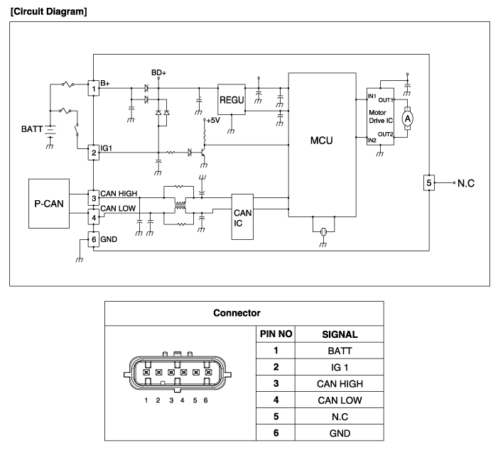
Принципиальная электрическая схема

Компоненты активной воздушной заслонки (AAF) и расположение компонентов
Компоненты 1. Активный воздушный корпус2. Активная воздушная заслонка3. Активная воздушная связь4. Активный воздушный привод5. Активный воздуховод6. Крышка активного пневмопривода ...
Процедуры ремонта активной воздушной заслонки (AAF)
Снятие и установка 1. Отсоедините клемму «-» аккумуляторной батареи от багажника. 2. Снимите передний бампер. (См. Кузов — «Крышка переднего бампера») 3. Отсоединяем разъем и рем...
Дополнительная информация:

Hyundai Genesis (DH) 2013-2016 Руководство по техническому обслуживанию: Задняя ступица - Процедуры ремонта каретки


Замена 1. Слегка ослабьте колесные гайки. Поднимите автомобиль и убедитесь, что он надежно закреплен. 2. Снимите заднее колесо и шину с задней ступицы. Будьте осторожны, чтобы не повредить болты ступицы при снятии заднего колеса и шины. 3. Снимите шплинт, т...

Hyundai Genesis (DH) 2013-2016 Руководство по техническому обслуживанию: Балка заднего бампера в сборе Процедуры ремонта


Замена • Наденьте перчатки, чтобы защитить руки. • При поддевании отверткой с плоским наконечником или с помощью накладки инструмент, оберните его защитной лентой и наклейте защитную ленту вокруг соответствующие части, чтобы предотвратить повреждение. • Нас ...