Hyundai Genesis: ветровое стекло / Компоненты и расположение компонентов

Компоненты

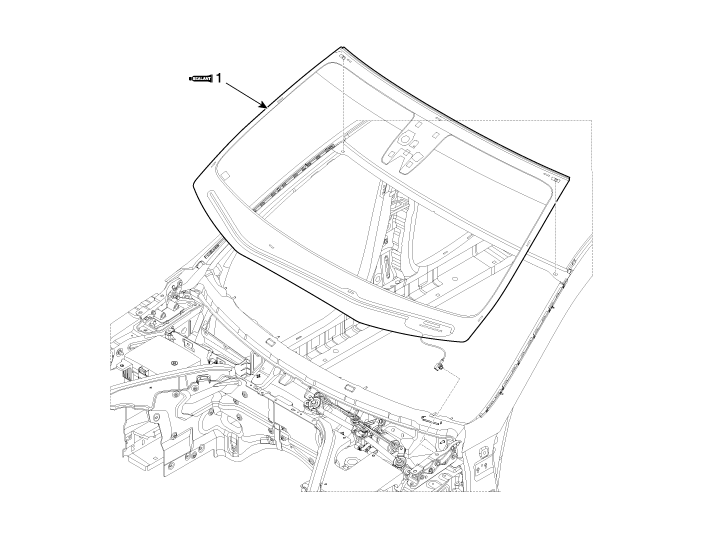
1. Ветровое стекло

Лобовое стекло
...
Процедуры ремонта
Удаление • Наденьте перчатки, чтобы не поранить руки. • Используйте чехлы для сидений, чтобы не повредить поверхности. 1. Снимаем боковые молдинги крыши...
Дополнительная информация:

Hyundai Genesis (DH) 2013-2016 Service Manual: Ремонт номерных ламп


Удаление 1. Отсоедините отрицательную (-) клемму аккумуляторной батареи. 2. Снимите панель крышки багажника. (См. Кузов — «Задняя панель крышки багажника») 3. Снимите фонарь номерного знака, отсоединив зажим крепления фонаря номерного знака (A). 4. Снимите блок лампы номерного знака после отсоединения разъема номерного ...

Hyundai Genesis (DH) 2013-2016 Service Manual: Технические характеристики


Технические характеристики Система подачи топлива ДеталиХарактеристикиТопливный бакОбъем77 лит. (20,3 галлона США, 81,4 кварт США, 67,7 лм.кварт.)Тип топливного фильтраТип бумагиДавление топливаТопливная линия низкого давления343 ~ 598 кПа (3,5 ~6,1 кгс/см?, 49,8 ~ 86,7 фунт/кв. дюйм)Топливная линия высокого давления2,0 ~ 14,7 МПа (20,0~150,0 кгс/см?,...