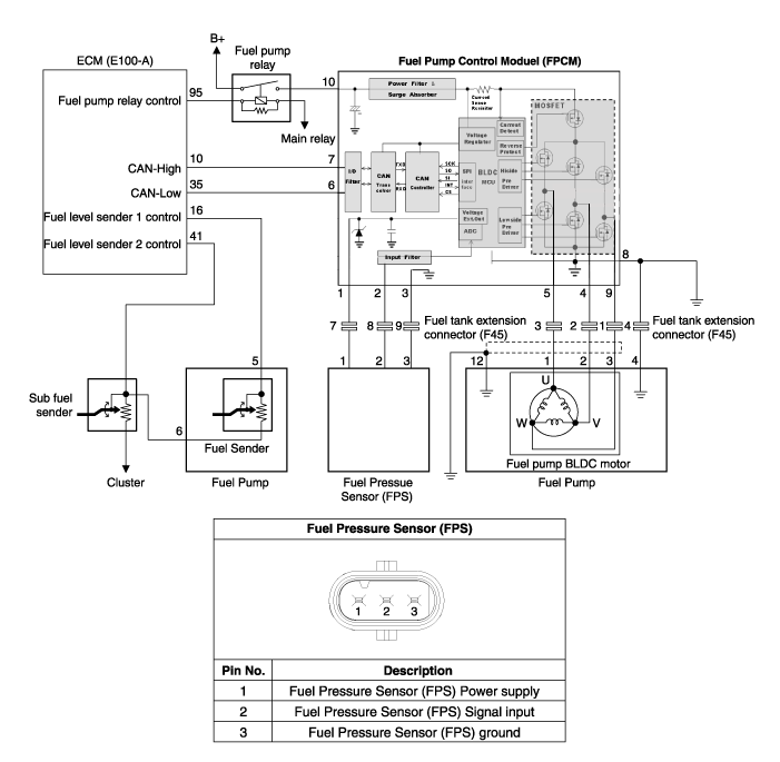
Hyundai Genesis: принципиальные схемы системы подачи топлива / датчика давления топлива (FPS)

Принципиальная электрическая схема

Технические характеристики датчика давления топлива (FPS)
Спецификация Давление (кПа) Выходное напряжение (В) 500.36002.511004.5 ...
Датчик давления топлива (FPS) Поиск и устранение неисправностей
Отказоустойчивый режим ItemFail-SafeDuty (%)85 Если датчик давления топлива неисправен, он переходит в отказоустойчивый режим. режим. Это означает, что давление топлива повышается в соответствии с увеличением ...
Дополнительная информация:

Hyundai Genesis (DH) 2013-2016 Руководство по обслуживанию: Технические характеристики электромагнитного клапана управления сцеплением 35R (35R/C_VFS)


Технические характеристики Прямое управление VFS[35R/C] ? Тип управления: нормальный высокий тип Управляющее давление кПа (кгс/см?, фунт/кв. дюйм)0~2108,42 (0~21,5~305,80)Текущее значение(мА)0~1100 Внутреннее сопротивление(?)5,0~5,6 ...

Hyundai Genesis (DH) 2013-2016 Руководство по техническому обслуживанию: Компоненты пряжки заднего ремня безопасности и расположение компонентов


Расположение компонента 1. Замок заднего ремня безопасности [правый]2. Замок заднего ремня безопасности [LH] ...