Hyundai i-20 manuels

Hyundai i20 (GB) 2014-2023 Автосервис Руководство: Схемы АНТЕННЫ НА КРЫШЕ

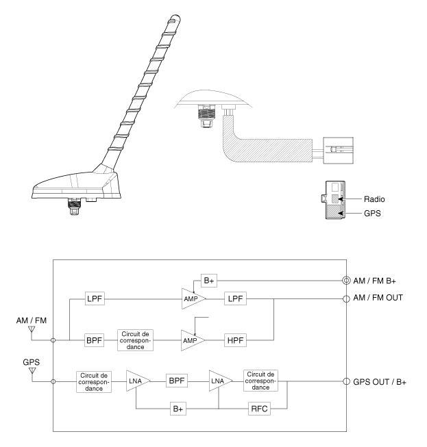
Принципиальная электрическая схема
[Радио + GPS]

[Радио + GPS + DAB]

Процедуры ремонта динамика
Контроль 1. Устранение неполадок динамика (1) Базовое управление динамиком Управляйте звуком через динамик...

АНТЕННА НА КРЫШЕ Процедуры ремонта
ДЕПОЗИТ 1. Снимите заднюю облицовку потолка. (См. Кузов — «Отделка крыши») 2. Отключить...
Другие материалы:

Меры предосторожности, которые должен принять владелец в отношении технического обслуживания
Неправильное или неполное обслуживание может вызвать проблемы. Этот глава дает вам инструкции только о простых элементах обслуживание. Интеллект Ненадлежащее техническое обслуживание, проведенное владельцем в течение периода гарантия может повлечь...

Люк на крыше
Если в вашем автомобиле есть люк, вы можете сдвинуть его или наклоните его с помощью рычага управления, расположенного на потолочной консоли. Вы можете открыть, закрыть или наклонить люк только с ключ зажигания в положении ON. Знать ...