Hyundai i-20 manuels

Hyundai i-20 (GB) 2014-2023 Руководство по эксплуатации автомобиля: Схемы обогревателей сидений

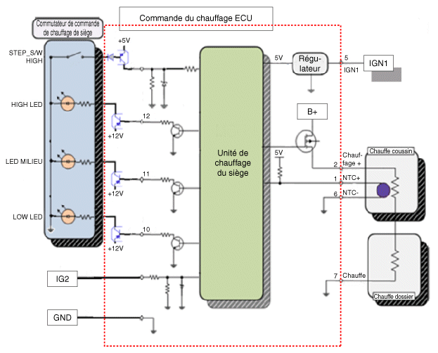
Принципиальная электрическая схема

Компоненты обогревателя сиденья и расположение компонентов
РАСПОЛОЖЕНИЕ КОМПОНЕНТОВ ...

Процедуры ремонта обогревателя сидений
Контроль Обогрев передних сидений 1. Проверьте целостность цепи и измерьте сопротивление между выводами №1. и № 4. Идет ...
Другие материалы:

Технические характеристики датчика температуры окружающей среды (ATS)
Спецификация Температура [°C (°F)] СОПРОТИВЛЕНИЕ (кОм) -40 (-40) 811,1~956,8 -20 (-4) 255,6~287,7 0 (32) 91,5~98,8 20 (68) 36,6~38,0 ...

Ключ зажигания
ПРЕДУПРЕЖДЕНИЕ Никогда не поворачивайте ключ зажигания в положение «LOCK» или «ACC». в экстренной ситуации во время движения автомобиля. Двигатель останавливается, а потеря мощности помогает рулевому управлению и торможение. Это повредит рулевому управлению и...