Hyundai i-20 manuels

Hyundai i-20 (GB) 2014-2023 Руководство по ремонту автомобиля: КОМПРЕССОР Процедуры ремонта

ДЕПОЗИТ
Меры предосторожности при использовании пластиковых шкивов
Будьте осторожны, чтобы не ударить пластиковый шкив.
Если шкив подвергается удару в случае падения или столкновения, замените его новым, даже если шкив не поврежден.
Будьте осторожны, чтобы не поставить шкив на пол или стол.

Будьте осторожны, чтобы не применять внешнюю силу и удары по шкив при перемещении или использовании.

Будьте осторожны, не применяйте силу к шкиву.

1.
Если работа компрессора затруднена, запустите двигатель работает на холостом ходу, активируйте кондиционер на несколько минут, затем выключите двигатель.
2.
Отсоедините отрицательную (-) клемму аккумуляторной батареи.
3.
Восстановите хладагент с помощью системы восстановления/заправки.
4.
Открутите приводной ремень.
(См. Механическая система двигателя — «Приводной ремень»)
5.
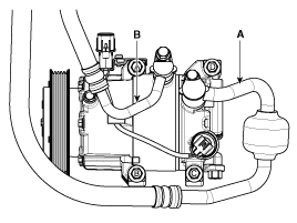
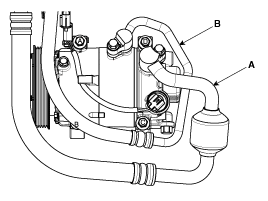
Снимите болты и отсоедините всасывающие линии (А). и выпуск (B) компрессора.
Момент затяжки:
18,6 ~ 27,5 Н·м (1,9 ~ 2,8 кгс·м, 13,7 ~ 20,3 фунт-фут)
Заглушите или загерметизируйте трубы сразу после отсоединен для предотвращения загрязнения влагой или пылью.
[Каппа Двигатель]

[Двигатель U2]

6.
Отсоедините разъем переключателя компрессора (А).

7.
Снимите компрессор (А), ослабив крепежные болты.
Момент затяжки:
19,6 ~ 33,3 Н·м (2,0 ~ 3,3 кгс·м, 14,5 ~ 24,6 фунт-фут)
[Каппа Двигатель]

[Двигатель U2]

Контроль
1.
Проверьте гальванические части ступицы и ограничитель (A), чтобы обнаружить поломка ограничителя и другие повреждения. При повреждении замените все.
2.
Проверьте люфт подшипника шкива (В) и трение при вращении. ручной шкив и поломка шкива. Заменить набор с новым, если он шумный или имеет чрезмерный люфт/трение.

Проверка клапана компрессора внешнее управление (GDS)
Тип компрессора: компрессор фиксированного типа, внешний регулирующий клапан, внутренний регулирующий клапан.
В случае стационарного и внутреннего регулирующего клапана можно проверить работа компрессора с шумом сцепления.
Однако, если это внешний регулирующий клапан, его нельзя управляется таким образом, потому что у него нет сцепления.
Таким образом, ECV следует контролировать с помощью GDS следующим образом.
1.
Подключите GDS к автомобилю и выберите «Проверка компрессора кондиционера». (тип ECV)'
[ECV1]

2.
Подготовьте автомобиль в соответствии с инструкциями GDS на мониторе. (Запрещать только «выключатель кондиционера»).
[ECV2]

[ECV3]

3.
Перед проверкой компрессора проверьте, не обнаружены ли какие-либо другие коды DTC. ЭКВ. Если это так, сначала устраните неполадки. В противном случае нажмите на кнопку «ОК», чтобы продолжить.
Не продолжайте проверку, если обнаружены следующие коды DTC: Б1241, Б1242, Б1672, Б1685, Б1686, Б1687
[ECV4]

4.
Начать осмотр
[ECV5]

[ECV6]

Проверьте, работает ли вентилятор конденсатора, когда условие изменяется на «Работа ECV».
Предохранительный клапан срабатывает, если вентилятор конденсатора не работает из-за избыточного давления в компрессоре. Это позволяет кондиционеру сбрасывать избыточное давление, сбрасывая хладагент и масло. (закрыто, если выпущено)
※ Залейте масло и охлаждающую жидкость после работы предохранительный клапан
※ Во время работы клапана может быть обнаружен шум. увольнять
5.
Проверьте результат проверки и нажмите «Подробная проверка». если «Отмечено» Следуйте инструкциям и снова проверьте ECV, возобновив на первом этапе.
[ECV7]

[ECV8]

СРЕДСТВО
1.
Убедитесь, что крепежный болт компрессора (A) закручен. до нужной длины. Затяните крепежные болты с указанным моментом.
Момент затяжки:
19,6 ~ 33,3 Н·м (2,0 ~ 3,3 кгс·м, 14,5 ~ 24,6 фунт-фут)
[Каппа Двигатель]

[Двигатель U2]

2.
Для установки выполните процедуру, обратную снятию.
Если вы устанавливаете новый компрессор, слейте все Масло хладагента компрессора удалено и измерено его объем. Вычесть объем слитого масла из исходная емкость. Результат - количество масла. нового компрессора, подлежащего опорожнению (через штуцер всасывание).
Замените уплотнительные кольца на каждом фитинге на новые детали и покройте их тонким слоем охлаждающего масла перед их установкой. Избегать утечки, обязательно используйте уплотнительные кольца рассчитан на хладагент R-134a.
Во избежание загрязнения не выполняйте никаких операций масло возвращается в контейнер после того, как масло добавлено и никогда не смешивайте его с другими охлаждающими маслами.
Сразу после использования масла замените крышку контейнера, затем герметично закрыть контейнер для предотвращения поглощения влаги.
После монтажа компрессора проверьте наличие проблем (трещины, протечки и т.д.) невооруженным глазом.
РАЗБОРКА
1.
Снимите правое переднее колесо.
(См. Система подвески — «Износ шин».)
2.
Снимите нижнюю крышку моторного отсека.
(См. Механическая система двигателя — «Двигатель в сборе»). и передачи")
3.
Отделите переднюю часть переднего крыла от колесной арки.
4.
Открутите приводной ремень.
(См. Механическая система двигателя — «Приводной ремень»)
5.
Снимите болт сцепления (А), удерживая шкив съемник болтов сцепления (09977-25100).
Момент затяжки:
10,0 ~ 15,0 Н·м (1,02 ~ 1,53 кгс·м, 7,37 ~ 11,0 фунт-фут)

6.
Отвинтите ограничительные болты (В) и снимите всю втулка (А) и ограничитель.

7.
Снимите шкив (В) после снятия эластичного кольца (А) с клещи для стопорных колец.
Избегайте повреждения шкива и компрессора во время операции по разборке/сборке.
После того, как вы сняли эластичное кольцо, замените его по новой.

8.
Для повторной сборки выполните процедуру, обратную разборке.
Очистите поверхности скольжения шкива и компрессор с не нефтяным растворителем.
Установите новое стопорное кольцо и убедитесь, что оно правильно сидит в канавке.
Убедитесь, что шкив хорошо вращается после сборки.
КОМПРЕССОР Компоненты и расположение компонентов
расположение компонента 1. Компрессор КОМПОНЕНТЫ [Каппа Двигатель] 1. Болт сцепления 2. Болт ли...

Компоненты конденсатора и расположение компонентов
расположение компонента 1. Конденсатор ...
Другие материалы:

ДАТЧИК ПОЛОЖЕНИЯ АКСЕЛЕРАТОРА (APS) Процедуры ремонта
Контроль 1. Подключите GDS к разъему канала передачи данных (DLC). 2. Начинать. 3. Измерьте выходное напряжение APS 1 и 2 при ЗАКРЫТОМ и ПОЛНОМ ДРОССЕЛЕ. ОТКРЫТИЕ ДРОССЕЛЬНОЙ ЗАСЛОНКИ ...

Компоненты впускного коллектора и расположение компонентов
КОМПОНЕНТЫ 1. Прокладка от впускного коллектора 2. Впускной коллектор 3. Датчик давления наддува (ДДП) 4. Стойка впускного коллектора 5. Прокладка корпус дроссельной заслонки 6. Вакуумный шланг 7. ...