Hyundai i-20 manuels

Hyundai i-20 (GB) 2014-2023 Руководство по эксплуатации автомобиля: Схемы выключателя подогрева сидений

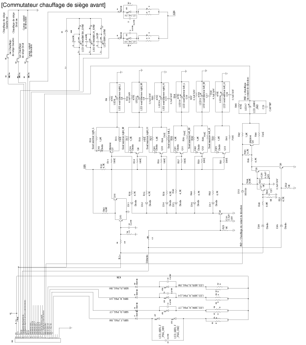
Принципиальная электрическая схема

Компоненты переключателя обогрева сиденья и их расположение
КОМПОНЕНТЫ ...

Процедуры ремонта переключателя обогревателя сиденья
ДЕПОЗИТ ПЕРЕДНЕЕ СИДЕНЬЕ 1. Отсоедините отрицательную (-) клемму аккумуляторной батареи. 2. Снимите блок управления кондиционером. ...
Другие материалы:

Автоматическая коробка передач
Нажмите на педаль тормоза, нажмите кнопку переключения передач, а затем переместите рычаг переключения передач скорости. Нажмите кнопку переключения передач, затем передвиньте рычаг переключения передач. Переместите рычаг переключения передач скоростей. ...

Компоненты и расположение компонентов
расположение компонента 1. Задняя торсионная ось ...