Hyundai i-20 manuels

Hyundai i-20 (GB) 2014-2023 Руководство по техническому обслуживанию автомобилей: Схемы электродвигателей стеклоподъемников

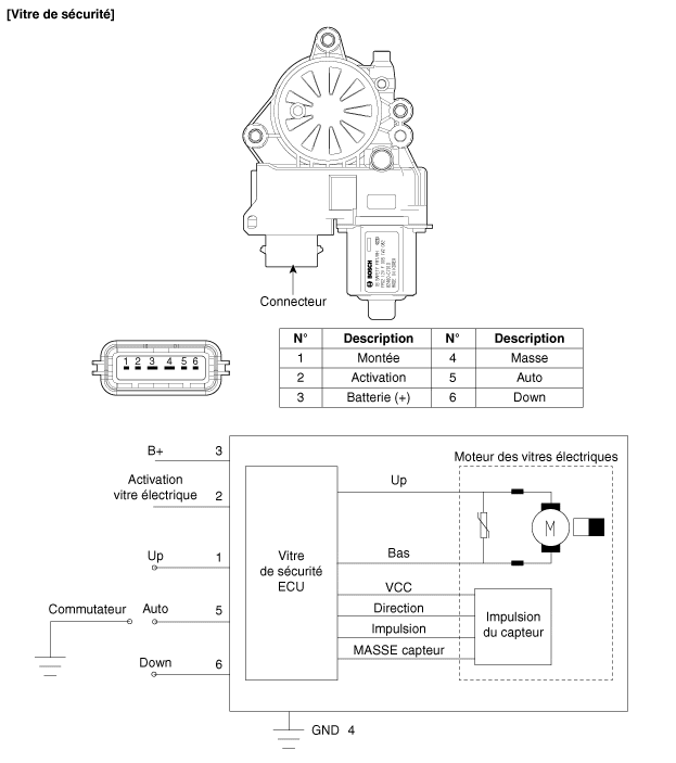
Принципиальная электрическая схема

Описание и работа
БЕЗОПАСНОСТЬ ЭКСПЛУАТАЦИИ СТЕКЛОПОДЪЕМНИКА При нажатии переключателя автоматического подъема стеклоподъемника со стороны водителя активируется функция безопасности.

Процедуры ремонта электродвигателя стеклоподъемника
ПРОВЕРКА ЭЛЕКТРОПРИВОДА ПЕРЕДНЕГО СТЕКЛОПОДЪЕМНИКА 1. Снимите стеклоподъемник передней двери. (См. Кузов - "Re...
Другие материалы:

Разблокировка задней двери
Отпереть: 1. Нажмите кнопку открывания крышки багажника (3) на ключе. дистанционное управление более одной секунды. 2. Дважды мигнут аварийные световые сигналы. Открытие, затем новое закрытие двери багажного отделения приводит к ее автоматическому запиранию. Р...

Поиск неисправностей
Стандартная форма устранения неполадок Примечания по диагностике Явления, перечисленные в таблице ниже, не являются ненормальными. Состояние ОБЪЯСНЕНИЕ Звуковое предупреждение о проверке системы В начале...