Hyundai Kona: схема ISG (Idle Stop & Go) / генератор переменного тока

Принципиальная электрическая схема

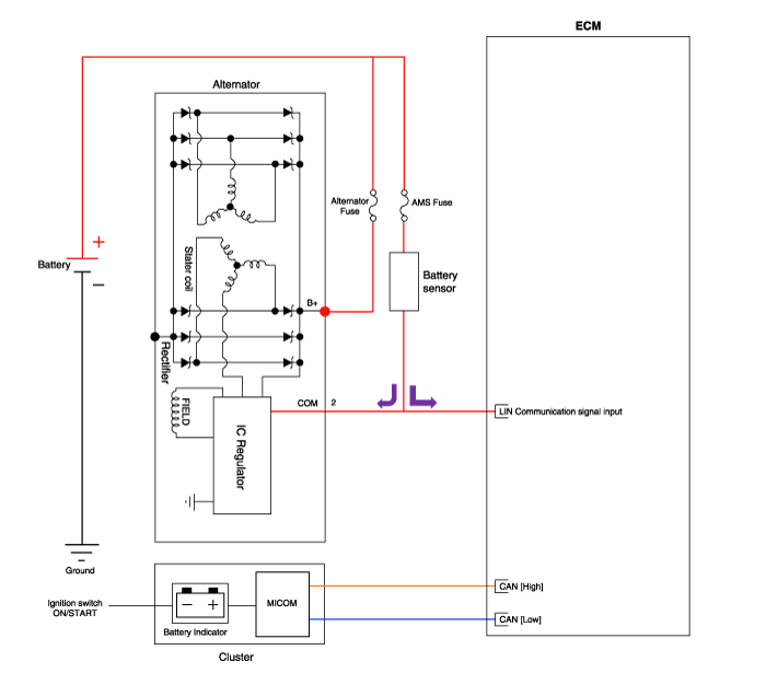
Сигнал COM - управление связью LIN
Клемма B+ — Выходное напряжение генератора к аккумулятору через клемму B+.
Компоненты генератора и расположение компонентов
Компоненты 1. Гайка 2. Шкив 3. Передний корпус 4. Передний подшипник 5. Фиксатор 6. Ротор 7. Задний подшипник 8. Статор 9. Задний корпус 10. Регулятор ...

Процедуры ремонта генератора
Удаление 1. Выключите зажигание и отсоедините отрицательную (-) клемму аккумуляторной батареи. 2. Отсоедините клемму «В» генератора (А...
Дополнительная информация:

Hyundai Kona (OS) 2018-2023 Руководство по обслуживанию: Датчик бокового удара (SIS) Описание и работа
Описание • Датчики бокового удара (SIS), каждый из которых установлен в центральной части кузова. правый и левый передние дверные модули и правая и левая центральные стойки, обнаруживает боковой удар при столкновении. • SRSCM использует сигналы f ...

Руководство по эксплуатации Ford Fusion 2013–2020 гг.: Использование MyKey с системами дистанционного запуска. MyKey – Устранение неполадок
Использование MyKey с системами удаленного запуска MyKey не совместим с не Дистанционный запуск, одобренный Ford системы. Если вы решили установить удаленный запустите систему, обратитесь к авторизованному дилеру для одобренная Ford система дистанционного запуска. MyKey – Устранение неполадок ...