Hyundai Kona: AVN System / AVN Antenna Компоненты и расположение компонентов

Компоненты
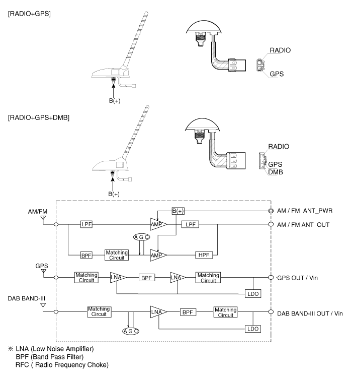
[Антенна на крыше (GPS)]

Процедуры ремонта пульта дистанционного управления AVN
осмотр 1. Проверьте сопротивление между клеммами в каждом положении переключателя (левое). [Л: Аудио + Громкая связь] Выключатель ...

Процедуры ремонта антенны AVN
Удаление Антенна на крыше 1. Отсоедините отрицательную (-) клемму аккумуляторной батареи. 2. Снимите обивку крыши в сборе. (См. Тело - "...
Дополнительная информация:

Hyundai Kona (OS) 2018-2023 Руководство по обслуживанию: Процедуры диагностики смарт-ключа
осмотр Самодиагностика с помощью Scan Tool Он сможет быстро диагностировать дефекты системы SMART KEY с помощью GDS. GDS может принудительно управлять приводом, контролировать входные/выходные значения и самодиагностика. Следующие три функции будут серьезной проблемой в S ...

Hyundai Kona (OS) 2018-2023 Service Manual: Компоненты вентилятора охлаждения и расположение компонентов
Компоненты 1. Вентилятор кулера 2. Двигатель вентилятора 3. Кожух охлаждающего вентилятора 4. Контроллер охлаждающего вентилятора (ШИМ) ...