Hyundai Kona: Система ESP (Электронная программа стабилизации) / Описание и работа

Описание ЭСП
У оптимальной безопасности вождения теперь есть имя: ESP, электронная программа стабилизации.
ESP распознает критические условия вождения, такие как панические реакции в опасных условиях. ситуациях и стабилизирует автомобиль за счет индивидуального торможения колес и двигателя. вмешательство в управление без необходимости приведения в действие тормоза или педали газа.
ESP добавляет дополнительную функцию, известную как Active Yaw Control (AYC), к ABS, TCS, Функции EBD и ESP. В то время как функция ABS/TCS контролирует проскальзывание колес во время торможение и ускорение и, таким образом, в основном вмешивается в продольную динамику транспортного средства, активное управление рысканием стабилизирует транспортное средство относительно его вертикальной ось.
Это достигается за счет индивидуального торможения колес и адаптации мгновенный крутящий момент двигателя без необходимости каких-либо действий со стороны водителя.
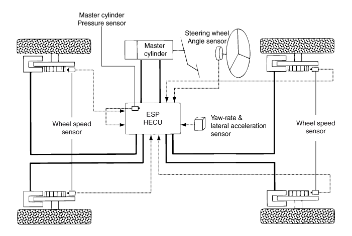
ESP по существу состоит из трех узлов: датчиков, электронного управления узел и приводы.
Конечно, функция контроля устойчивости работает при любых режимах вождения и эксплуатации. условия. При определенных условиях вождения может быть активирована функция ABS/TCS. одновременно с функцией ESP по команде водителя.
В случае отказа функции контроля устойчивости основные функции безопасности функция ABS по-прежнему сохраняется.

Описание управления ESP
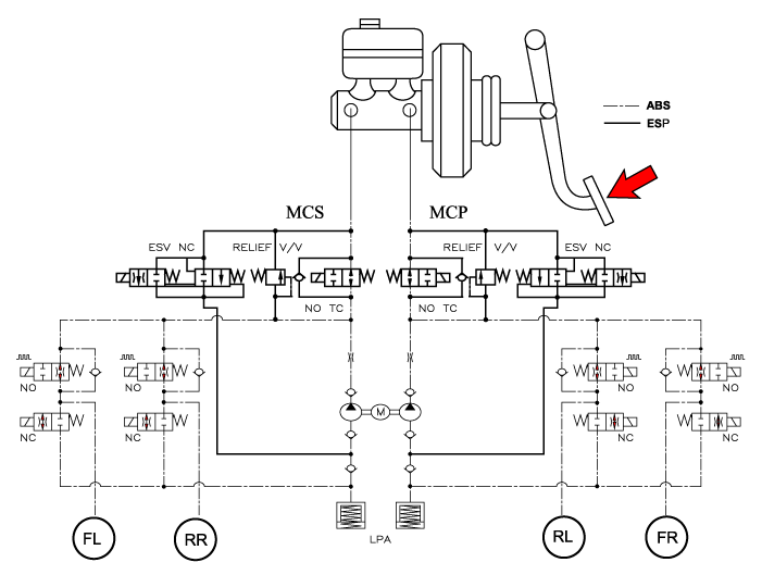
Система ESP включает функции ABS/EBD, TCS и AYC (активный контроль рыскания).
Функция ABS/EBD: ЭБУ изменяет активный сигнал датчика (текущее переключение) поступающие от четырех колесных датчиков к прямоугольной форме волны. Используя вход вышеперечисленных сигналов ЭБУ рассчитывает скорость автомобиля и ускорение и замедление четырех колес. ЭБУ определяет, должна ли система ABS/EBD срабатывать или нет.
Функция TCS предотвращает проскальзывание колеса в направлении движения, добавляя тормоз снижение давления и крутящего момента двигателя через CAN-связь. Функция TCS использует сигнал датчика скорости колеса для определения проскальзывания колеса до функции ABS.
Функция AYC предотвращает неустойчивое маневрирование автомобиля. Для определения транспортного средства маневр, функция AYC использует сигналы датчика маневра (датчик скорости рыскания, боковой датчик ускорения, датчик угла поворота рулевого колеса).
Если маневр автомобиля нестабилен (избыточная или недостаточная поворачиваемость), применяется функция AYC. тормозное давление на определенном колесе и отправить сигнал снижения крутящего момента двигателя по CAN.
После включения зажигания ЭБУ постоянно диагностирует отказ системы. (самодиагностика)Если обнаружен сбой системы, ЭБУ информирует водителя о сбое системы через контрольную лампу BRAKE/ABS/ESP. (отказоустойчивое предупреждение)

Диаграмма ввода и вывода

Режим работы ЭСП
1.
ШАГ 1
ESP анализирует намерения водителя.

2.
ШАГ 2
Он анализирует движение автомобиля с ESP.

3.
ШАГ 3
HECU рассчитывает требуемую стратегию, а затем активирует соответствующую клапанов и отправляет запросы управления крутящим моментом через CAN для обслуживания автомобиля стабильность.
Режим работы ЭСП

1.
ESP не работает: нормальное торможение
Соленоидный клапан
Непрерывность
Клапан
Мотопомпа
клапан ТК
В (НЕТ)
ВЫКЛЮЧЕННЫЙ
ОТКРЫТЬ
ВЫКЛЮЧЕННЫЙ
ВЫКЛЮЧЕННЫЙ
ВЫХОД (НЗ)
ВЫКЛЮЧЕННЫЙ
ЗАКРЫВАТЬ

2.
работа ЭСП
Соленоидный клапан
Непрерывность
Клапан
Мотопомпа
клапан ТК
недостаточная поворачиваемость
(Только внутри заднего колеса)
В (НЕТ)
ВЫКЛЮЧЕННЫЙ
ОТКРЫТЬ
НА
НА
ВЫХОД (НЗ)
ВЫКЛЮЧЕННЫЙ
ЗАКРЫВАТЬ
избыточная поворачиваемость
(Только снаружи переднего колеса)
В (НЕТ)
ВЫКЛЮЧЕННЫЙ
ОТКРЫТЬ
ВЫХОД (НЗ)
ВЫКЛЮЧЕННЫЙ
ЗАКРЫВАТЬ

[Супервидение]

[Общий]

Контрольная лампа АБС
Контрольная лампа активной АБС указывает на самопроверку и состояние отказа системы. АБС. Контрольная лампа АБС должна гореть:
Во время фазы инициализации после IGN ON. (непрерывно 3 секунды)
В случае торможения работы АБС по отказу.
В режиме диагностики.
Когда разъем ECU отделен от ECU.
Контрольная лампа EBD/стояночного тормоза
Активная контрольная лампа EBD указывает на самопроверку и состояние неисправности ЭБД. Однако, если переключатель стояночного тормоза включен, предупреждение EBD лампа всегда включена независимо от функций EBD. Контрольная лампа EBD должна Быть на :
Во время фазы инициализации после IGN ON. (непрерывно 3 секунды)
Когда переключатель стояночного тормоза включен или уровень тормозной жидкости низкий.
Когда функция EBD вышла из строя.
В режиме диагностики.
Когда разъем ECU отделен от ECU.
Функция ESP/контрольная лампа (система ESP)
Индикатор функции/предупреждения ESP указывает на самопроверку и состояние неисправности ЭСП.
Индикатор функции/предупреждения ESP работает при следующих условиях:
Во время фазы инициализации после IGN ON. (непрерывно 3 секунды)
В случае угнетения функций ESP по отказу.
В режиме диагностики.
Когда работает система ESP. (мигание - 2 Гц)
Лампа отключения ESP (система ESP)
Лампа ESP OFF указывает на самопроверку и рабочее состояние ESP.
Лампа ESP OFF загорается при следующих условиях:
Во время фазы инициализации после IGN ON. (непрерывно 3 секунды)
Когда водитель выключает функцию ESP с помощью выключателя.
Переключатель ВКЛ/ВЫКЛ ESP (система ESP)
Переключатель ESP On/Off должен использоваться для переключения функции ESP между On/Off. состояния, основанные на вводе драйвера.
Выключатель Вкл/Выкл должен быть нормально разомкнутым контактным выключателем мгновенного действия.
Исходное состояние функции ESP включено, и переключатель используется для запроса Изменение статуса ESP.
Компоненты и расположение компонентов
Компоненты 1. Модуль управления ESP (HECU) 2. Датчик скорости переднего колеса 3. Датчик скорости заднего колеса 4. Контрольная лампа АБС 5. Контрольная лампа EBD/стояночного тормоза ...

Принципиальные диаграммы
Схематические диаграммы Терминал Функция Пин № Описание Ток 12В/20С (Ампер) Диапазон напряжения (В) ...
Дополнительная информация:

Hyundai Kona (OS) 2018-2023 Руководство по обслуживанию: Процедуры ремонта антенной катушки
Удаление 1. Отсоедините отрицательную (-) клемму аккумуляторной батареи. 2. Снимите панель кожуха рулевой колонки. (См. Кузов — «Панель кожуха рулевой колонки») 3. Отключить ...

Hyundai Kona (OS) 2018-2023 Руководство по техническому обслуживанию: Порядок ремонта
Корректирование Регулировка стекла • Проверьте желоб стеклохода на наличие повреждений или износа и замените его при необходимости. 1. Удалить ...