Hyundai Kona: Индикаторы и приборы / Схема комбинации приборов

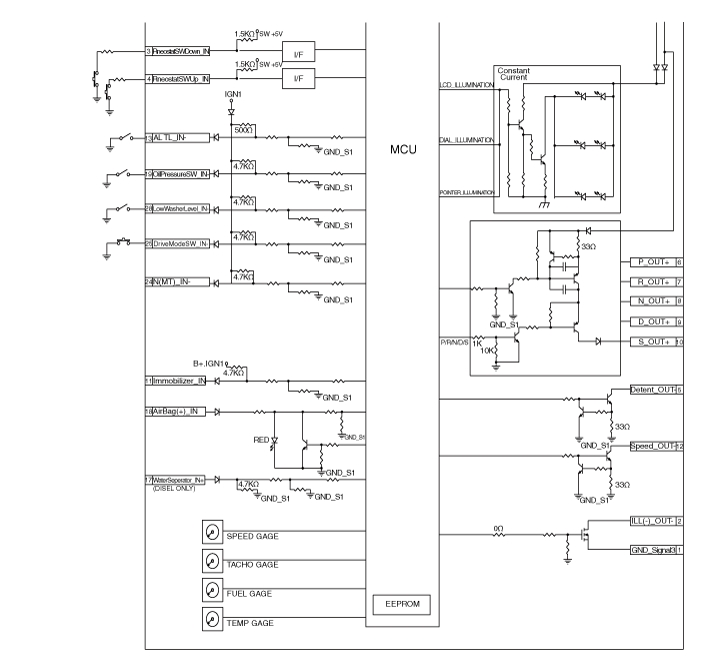
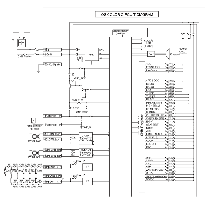
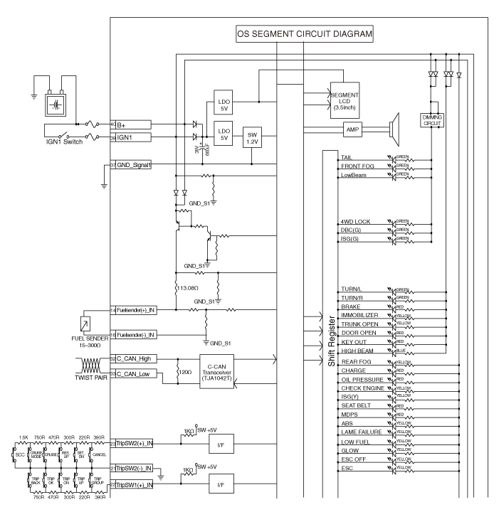
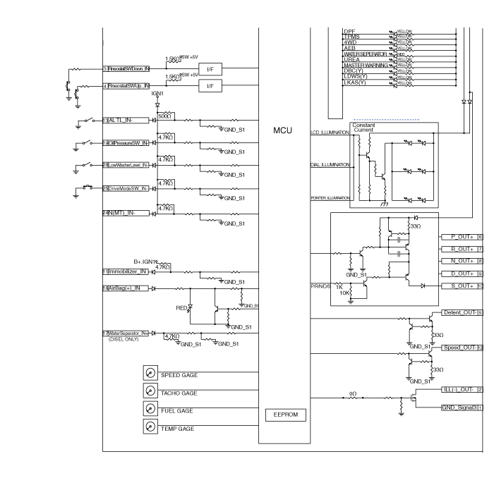
Принципиальная электрическая схема
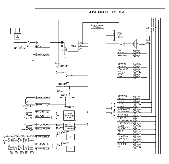
[Моно (3,5")]

[Тип Super Vision (4,2")]

[Тип Super Vision (4,2")]

Комбинация приборов Компоненты и расположение компонентов
Компоненты [Моно (3,5")] [Тип Super Vision (4,2")] [Тип сегмента (3,5")] Информация о выводах разъема ...

Комбинация приборов Описание и работа
Описание Схема сети связи Сокращение Экспансия АКУ Блок управления подушками безопасности ...
Дополнительная информация:

Hyundai Kona (OS) 2018-2023 Руководство по эксплуатации: Капот
Открытие капота 1. Припаркуйте автомобиль и включите стояночный тормоз. 2. Потяните рычаг разблокировки, чтобы открыть капот. Капот должен немного открыться. 3. Подойдите к передней части автомобиля, слегка приподнимите капот, нажмите на вторичный защелкните (1) внутри центра капота и поднимите капот (2). 4. Вытащите...

Hyundai Kona (OS) 2018-2023 Руководство по эксплуатации: Запуск от внешнего источника
Пуск от внешнего источника может быть опасен, если он сделан неправильно. Следите за началом прыжка процедуры, описанные в этом разделе, чтобы избежать серьезных травм или повреждения автомобиля. Если Если вы сомневаетесь в том, как правильно завести автомобиль, мы настоятельно рекомендуем у вас есть сервисный техник или служба буксировки сделать это для ...