Hyundai Kona: Предупреждение о превышении дистанции при парковке — вперед/назад / Переключатель предупреждения о превышении дистанции при парковке Принципиальные схемы

Принципиальная электрическая схема

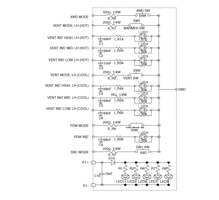
ТЕРМИНАЛ ФУНКЦИЯ
Приколоть
Описание
17
Режим PDW
21
ПДВ ИНД
4
Земля

Порядок ремонта датчика парковки
Удаление 1. Отсоедините отрицательную (-) клемму аккумуляторной батареи. 2. Снимите облицовку переднего/заднего бампера. (Обратитесь к Бо...

Выключатель системы предупреждения о сближении с парковкой Процедуры ремонта
Удаление • Наденьте перчатки, чтобы не поранить руки. ...
Дополнительная информация:

Hyundai Kona (OS) 2018-2023 Руководство по техническому обслуживанию: Ремень задней двери внутри уплотнителя Процедуры ремонта
Замена 1. Снимите обивку задней двери. (См. Задняя дверь — «Облицовка задней двери») 2. Снимите ремень задней двери внутри уплотнителя (А). 3. Для установки выполните процедуру удаления в обратном порядке. ...

Hyundai Kona (OS) 2018-2023 Руководство по эксплуатации: Крепление детской удерживающей системы поясным/плечевым ремнем
Если система ISOFIX не используется, все детские удерживающие системы должны быть закреплены. к заднему сиденью поясной частью поясно-плечевого ремня безопасности. Установка детской удерживающей системы с поясным/плечевым ремнем Чтобы установить детскую удерживающую систему на задние сиденья, выполните следующие действия: 1. Установите детское удерживающее устройство...