Hyundai Kona: электрические стеклоподъемники / электрические стеклоподъемники принципиальные схемы

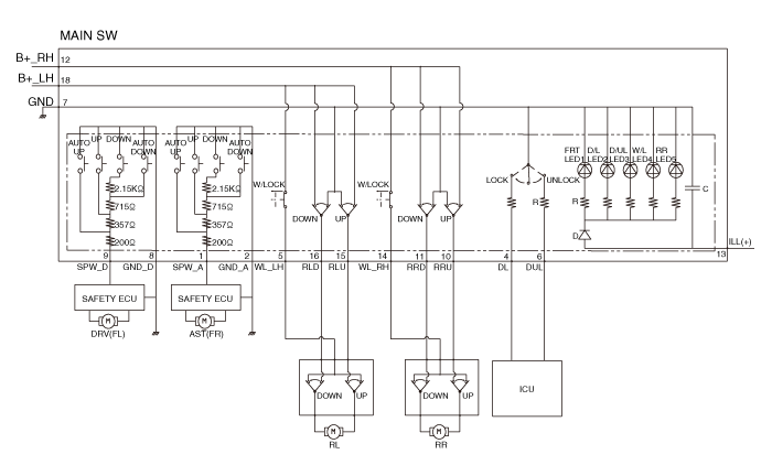
Принципиальная электрическая схема
Переключатель стеклоподъемника водителя
[Защита электростеклоподъемника (спереди)]

[Защита стеклоподъемника (водитель)]

[Автоматический стеклоподъемник]

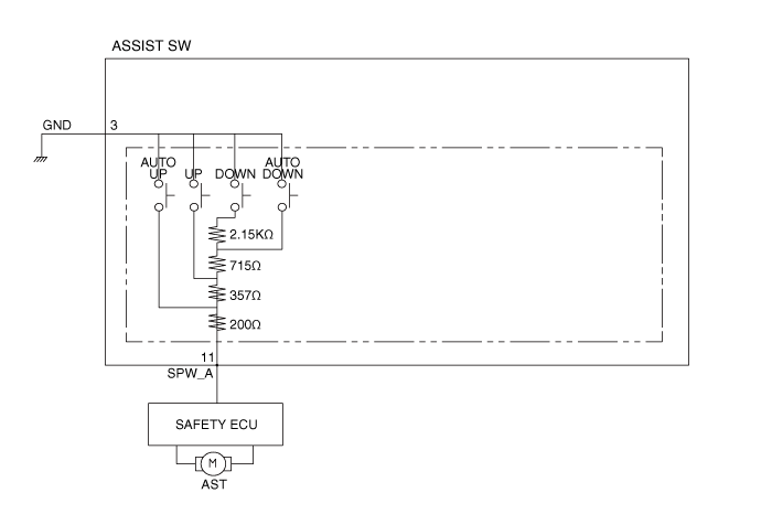
Переключатель стеклоподъемника пассажира
[Неавтоматический стеклоподъемник]

[Окно безопасности]

Переключатель заднего стеклоподъемника
[Неавтоматический стеклоподъемник]

Переключатель стеклоподъемника Компоненты и расположение компонентов
Компоненты Переключатель стеклоподъемника безопасности водителя Переключатель стеклоподъемника безопасности пассажира Переключатель заднего стеклоподъемника ...

Процедуры ремонта переключателя стеклоподъемника
осмотр [Переключатель стеклоподъемника водителя] 1. Отсоедините отрицательную (-) клемму аккумуляторной батареи. 2. Снять водительскую дверь...
Дополнительная информация:

Hyundai Kona (OS) 2018-2023 Руководство по техническому обслуживанию: Ручка открытия замка капота Расположение узлов и компонентов
Расположение компонента 1. Ручка открытия замка капота. ...

Руководство по эксплуатации Ford Fusion 2013–2020: Противоугонная сигнализация
Система предупредит вас о несанкционированное проникновение в ваш автомобиль. Это будет срабатывать, если какая-либо дверь, багаж отделение или капот открыт без использования ключа, пульта дистанционного управления или клавиатура без ключа. Индикаторы поворотов будут мигать, а прозвучит звуковой сигнал при несанкционированном проникновении ...