Hyundai Kona: Система кондиционирования воздуха / Линия хладагента Компоненты и расположение компонентов

Расположение компонентов

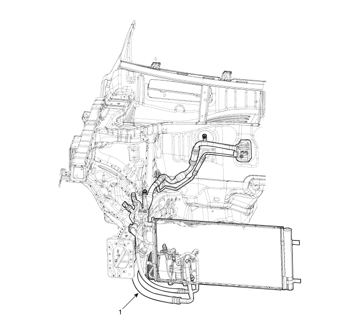
1. Всасывающая и жидкостная трубка сборка


Компрессорное масло Процедуры ремонта
Спецификация масла 1. Для системы HFC-134a требуется синтетическое (ПАГ) компрессорное масло, тогда как для системы R-12 требуется минеральное компрессорное масло. Два масла м...

Процедуры ремонта линии хладагента
Замена 1. Если компрессор работает на пределе, запустите двигатель на холостом ходу. скорости и дайте кондиционеру поработать несколько минут, затем с ...
Дополнительная информация:

Руководство по эксплуатации Ford Fusion 2013–2020: Управление информационным дисплеем. Подогрев руля. Рог
Управление информационным дисплеем См. Информационные дисплеи. Рулевое колесо с подогревом (ЕСЛИ ОБОРУДОВАН) Включите обогрев рулевого колеса и выключить с помощью сенсорного экрана. Коснитесь кнопки, чтобы переключить обогрев руля и выключенный. Примечание: Вы можете использовать обогрев руля. руль только при работающем двигателе...

Hyundai Kona (OS) 2018-2023 Руководство по эксплуатации: Индикатор переключения коробки передач с двойным сцеплением
В режиме ручного переключения этот индикатор информирует о желаемой передаче. вождение для экономии топлива. • Индикатор переключения передач с двойным сцеплением - Переключение вверх: ▲2, ▲3, ▲4, ▲5, ▲6 ▲7 - Сдвиг вниз: ▼1, ▼2, ▼3, ▼4, ▼5, ▼6 Например ▲3: Указывает, что переключение на 3...