Hyundai Kona: BCM (Body Control Module) / Электрические схемы

Принципиальная электрическая схема

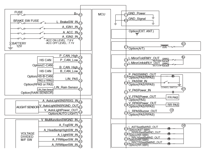
Компоненты и расположение компонентов
Компоненты НЕТ Соединитель А Соединитель Б Соединитель С Соединитель D ...

Описание и работа
Описание Функция модуля управления кузовным оборудованием (BCM) Нет Элемент Описание 1 Стиральная машина, связанная с салфеткой...
Дополнительная информация:

Руководство по эксплуатации Ford Fusion 2013–2020: Замена шин с помощью системы контроля давления в шинах
Примечание. Каждая дорожная шина оснащена шиной датчик давления внутри колеса и полость сборки шины. Давление датчик крепится к штоку клапана. датчик давления закрыт шиной и не видно, пока шина не снята. Брать будьте осторожны при замене шины, чтобы избежать ...

Hyundai Kona (OS) 2018-2023 Руководство по обслуживанию: CVVT (непрерывное изменение фаз газораспределения) Описание и работа системы
Описание Система непрерывного изменения фаз газораспределения (CVVT) опережает или задерживает клапан. синхронизация впускных и выпускных клапанов в соответствии с управляющим сигналом ECM рассчитывается по частоте вращения двигателя и нагрузке. При управлении CVVT происходит перекрытие или недопуск клапана, w...