Hyundai Kona: Люк в крыше / Принципиальные схемы

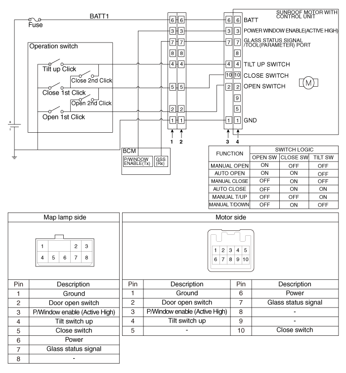
Принципиальная электрическая схема

Компоненты и расположение компонентов
Расположение компонента 1. Люк в крыше 2. Мотор и контроллер люка 3. Переключатель люка ...

Процедуры ремонта переключателя люка на крыше
осмотр 1. Отсоедините отрицательную (-) клемму аккумуляторной батареи. 2. Откройте крышку футляра для солнцезащитных очков с потолочной консоли и ...
Дополнительная информация:

Hyundai Kona (OS) 2018-2023 Руководство по обслуживанию: Блок управления DCT (TCM) Принципиальные схемы
1. Коннектор ТСМ 2. Функция терминала TCM Соединитель [А] Приколоть Описание Приколоть Описание 1 Привод сцепления (электродвигатель сцепления 1 (ODD)_фаза V) 17 - 2 ...

Hyundai Kona (OS) 2018-2023 Service Manual: Комплектующие и расположение узлов
Расположение компонента 1. Переключатель звукового сигнала 2. Реле звукового сигнала (встроено в блок печатной платы) 3. Рог 4. Часовая пружина ...