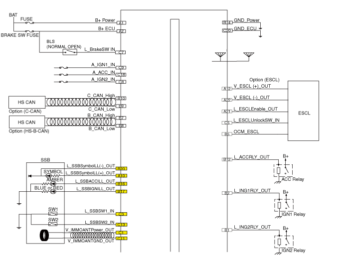
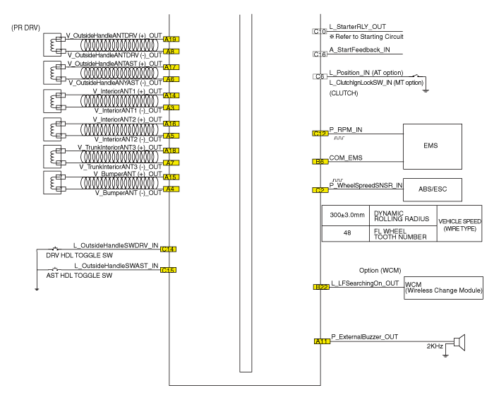
Hyundai Kona: Принципиальные схемы системы смарт-ключа / блока смарт-ключа

Принципиальная электрическая схема

Блок смарт-ключа Компоненты и расположение компонентов
Компоненты (1) Нет Соединитель А Соединитель Б Соединитель С 1 BAT(+)_Сигнал ...

Процедуры ремонта блока смарт-ключа
Удаление Блок смарт-ключа 1. Отсоедините отрицательную (-) клемму аккумуляторной батареи. 2. Снимите перчаточный ящик. (Ссылаться ...
Дополнительная информация:

Hyundai Kona (OS) 2018-2023 Руководство по техническому обслуживанию: Сиденье с вентиляцией. Компоненты и расположение компонентов
Расположение компонента [Переднее сиденье с вентиляцией] 1. Сиденье с вентиляцией (Только вспомогательное сиденье) 2. Вентилятор сиденья ...

Руководство по эксплуатации Ford Fusion 2013–2020: Дверные замки с электроприводом
Управление дверным замком с электроприводом находится на стороне водителя. и дверные панели переднего пассажира. Разблокировать. Замок. Индикатор дверного замка Светодиод на обшивке окна двери загорается, когда вы запираете дверь. Это светится до пяти минут после выключения зажигания. Ингибитор выключателя дверного замка Когда ...