Hyundai Kona: Процедуры ремонта / Принципиальные схемы SRSCM

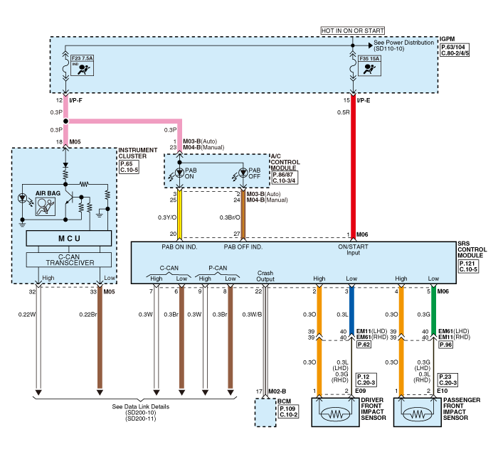
Принципиальная электрическая схема

Компоненты SRSCM и расположение компонентов
Компоненты 1. Передний правый удар давления Датчик (ФИС) 2. Модуль управления дополнительной удерживающей системой (SRSCM) 3. Передний левый датчик давления (FIS) ...

Блок управления SRS (SRSCM) Компоненты и расположение компонентов
Компоненты 1. Дополнительные ограничения Модуль управления системой (SRSCM) Модуль управления дополнительной системой пассивной безопасности (SRSCM) Нет ...
Дополнительная информация:

Hyundai Kona (OS) 2018-2023 Руководство по техническому обслуживанию: Процедуры ремонта кнопки Start/Stop
Удаление 1. Отсоедините отрицательную (-) клемму аккумуляторной батареи. 2. Снимите нижнюю панель аварийной подушки. (См. Кузов — «Нижняя панель аварийной площадки») 3. Убрать старт/стоп...

Hyundai Kona (OS) 2018-2023 Руководство по техническому обслуживанию: Механизм привода в сборе Описание и работа
Описание • Расположение компонентов: DCT (коробка передач с двойным сцеплением) • Функция Редукторный привод состоит из электродвигателя переключения и соленоида выбора. Редукторный привод переключает двигатель и соленоид выбора получает сигналы от ...