Hyundai Palisade: система круиз-контроля / переключатель круиз-контроля

Hyundai Palisade (LX2) 2020-2023 Руководство по ремонту / Электрическая система двигателя / Система круиз-контроля / Переключатель круиз-контроля

Компоненты и расположение компонентов
Компоненты

Hyundai Palisade. Components and components location

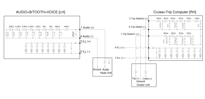
1. Левый переключатель дистанционного управления
(Аудио + Громкая связь + Голос)
2. Правый переключатель дистанционного управления
(Круиз + бортовой компьютер)

Принципиальные диаграммы
Принципиальная электрическая схема

Hyundai Palisade. Schematic diagrams

[Поездка + ACC]

Hyundai Palisade. Schematic diagrams

[Поездка + ASCC]

Hyundai Palisade. Schematic diagrams

Процедуры ремонта
осмотр
1.
Проверьте сопротивление между клеммами в каждом положении переключателя (RH).

Hyundai Palisade. Repair procedures

[RH: Круиз + Поездка]
Выключатель
Соединитель
Терминал
Сопротивление
(±5%)
Отмена
2-6
390 Ом
НАБОР -
610 Ом
ВИЭ +
910 Ом
Круиз ВКЛ/ВЫКЛ
1,38 кОм
ASCC (контроль расстояния)
3,63 кОм

Удаление
1.
Отсоедините отрицательную (-) клемму аккумуляторной батареи.
2.
Снимите рулевое колесо в сборе.
(См. Система рулевого управления — «Рулевое колесо»)
3.
Снимите заднюю крышку рулевого управления (А) после ослабления крепежных винтов.

Hyundai Palisade. Repair procedures

4.
Отсоедините разъем дистанционного управления на рулевом колесе (А).
[левый]

Hyundai Palisade. Repair procedures

[Правый]

Hyundai Palisade. Repair procedures

5.
Снимите блок дистанционного управления с рулевого колеса (A) после ослабления монтажные винты.

Hyundai Palisade. Repair procedures

6.
Снимите пульт дистанционного управления с рулевого колеса (А), предварительно ослабив крепление. винты.

Hyundai Palisade. Repair procedures

Монтаж
1.
Установите пульт дистанционного управления на рулевом колесе.
2.
Установите блок дистанционного управления на рулевом колесе.
3.
Подсоедините разъем дистанционного управления на рулевом колесе.
4.
Установите заднюю крышку рулевого управления.
5.
Установите рулевое колесо и модуль подушки безопасности водителя.
6.
Подсоедините отрицательную (-) клемму аккумуляторной батареи.

Поиск неисправностей

Таблицы симптомов неисправностей Симптом неисправности 1 Симптом неисправности 2 Симптом неисправности Вероятная причина Средство Заданная скорость автомобиля сильно меняется вверх или вниз «Помпаж» (повторяющееся попеременное ускорение и торможение) возникает после параметр Неисправность цепи датчика скорости автомобиля Отремонтируйте систему датчика скорости автомобиля или замените деталь Неисправность блока управления двигателем Проверьте входные и выходные сигналы на ECM. Симптом неисправности 3 Симптом неисправности Вероятная причина Средство Система CC не отключается при нажатии педали тормоза Повреждена или отсоединена проводка выключателя педали тормоза Отремонтировать жгут или заменить датчик педали тормоза. Неисправность сигналов ECM Проверьте входные и выходные сигналы на ECM. Симптом неисправности 4 Симптом неисправности Вероятная причина Средство Система CC не отключается при переводе рычага переключения передач в положение «N». (Однако отменяется при нажатии педали тормоза) Повреждена или отсоединена проводка входной цепи выключателя блокировки. Отремонтируйте жгут или отремонтируйте или замените выключатель блокировки. Неправильная регулировка переключателя блокировки Неисправность сигналов ECM Проверьте входные и выходные сигналы на ECM. Симптом неисправности 5 Симптом неисправности Вероятная причина Средство Невозможно замедлить (движение по инерции) с помощью переключателя «SET/–». Временное повреждение или отсоединение проводки входной цепи переключателя «SET/–» Отремонтировать жгут или заменить переключатель «SET/–». Неисправность сигналов ECM Проверьте входные и выходные сигналы на ECM. Симптом неисправности 6 Симптом неисправности Вероятная причина Средство Невозможно ускорить или возобновить скорость с помощью переключателя «RES/+». Повреждена или отсоединена проводка, или короткое замыкание, или вход переключателя «RES/+» схема Отремонтируйте жгут или замените переключатель «RES/+». Неисправность сигналов ECM Проверьте входные и выходные сигналы на ECM. Симптом неисправности 7 Симптом неисправности Вероятная причина Средство Систему CC можно настроить во время движения со скоростью менее 40 км/ч. (25 миль в час), или на этой скорости нет автоматической отмены Неисправность цепи датчика скорости автомобиля Отремонтируйте систему датчика скорости автомобиля или замените деталь Неисправность сигналов ECM Проверьте входные и выходные сигналы на ECM. Симптом неисправности 8 Симптом неисправности Вероятная причина Средство Контрольная лампа главного переключателя круиз-контроля не загорается (хотя система CC нормально) Повреждена или отсоединена лампочка контрольной лампы главного выключателя круиза Отремонтируйте жгут или замените деталь...

Система зажигания

..

Дополнительная информация:

Hyundai Palisade (LX2) 2020-2023 Руководство по техническому обслуживанию: Краш-пад под крышкой


Процедуры ремонта Замена • При снятии с помощью плоской отвертки или съемника оберните защитным заклейте инструменты, чтобы предотвратить повреждение компонентов...

Hyundai Palisade (LX2) 2020-2023 Руководство по эксплуатации: Прогулочное сиденье (2-й ряд сидений)


Чтобы сесть или выйти из 3-го ряда сидений, 1. Прокладка ремня безопасности через зажим ремня безопасности заднего сиденья. Вставив ремень безопасности, затяните лямку ремня, потянув ее вверх. 2. Нажмите переключатель холостого хода, расположенный на верх (1) сиденья 2-го ряда или сторона (2) нижней подушки сиденья...

Категории

Подушка безопасности — дополнительная система пассивной безопасности Система

Hyundai Palisade. System

1. Передняя подушка безопасности водителя
2. Передняя подушка безопасности пассажира
3. Боковая подушка безопасности
4. Занавеска воздушной подушки
5. Коленная подушка безопасности водителя

Этот автомобиль оснащен Расширенная дополнительная подушка безопасности Система для сиденья водителя и переднего сиденья пассажирские места.

читать далее