Hyundai Tucson manuels

Руководство по ремонту и обслуживанию автомобилей Hyundai Tucson: принципиальные схемы

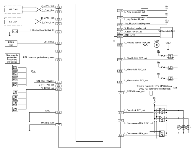
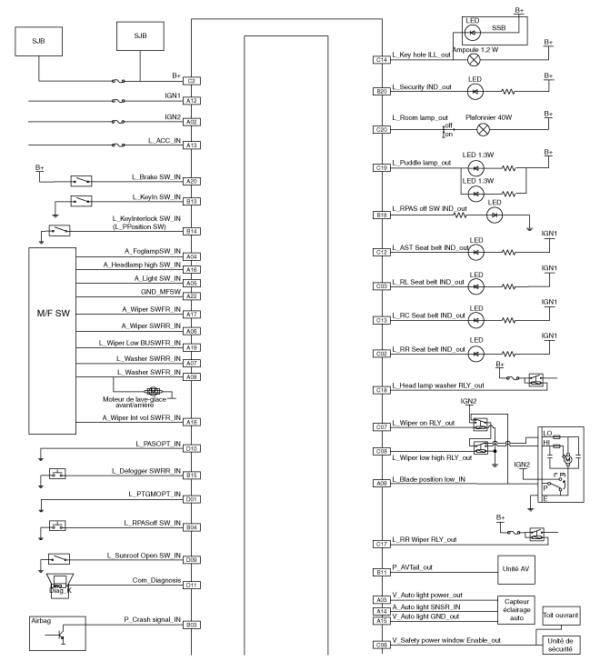
Принципиальная электрическая схема

Компоненты и расположение компонентов
КОМПОНЕНТЫ НЕТ РАЗЪЕМ А Соединитель Б С-коннектор D-коннектор 1 БАТТ (+) я...

Описание и работа
Описание Функция блока управления кузовным оборудованием (BCM) Нет. Элемент Описание 1 Стеклоочиститель связан с...
Другие материалы:

Проверьте давление в шинах
Давление в шинах можно проверить в Режим предупреждения на кластере. Давление в шинах отображается через несколько минут вождения после запуска двигателя запускать. Если давление в шинах не отображается, когда автомобиль остановлен, «Двигайтесь в появится сообщение. После вождение, че...

главный предохранитель
Если главный предохранитель перегорел, его необходимо удалить следующим образом: 1. Остановите двигатель. 2. Отсоедините отрицательный кабель аккумулятора. 3. Снимите гайки, показанные на рисунке выше. 4. Замените предохранитель новым предохранителем того же номинала. 5. Продолжайте с поводьями...