Hyundai Tucson: схемы рулевого колеса / гибкого рулевого управления

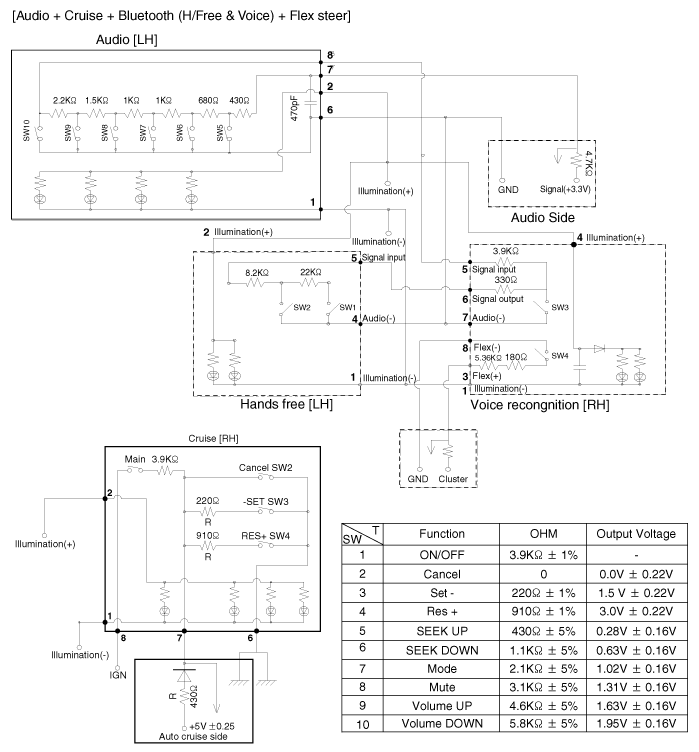
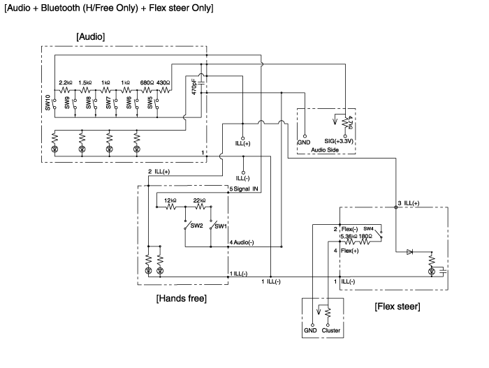
Схема цепи детали

Flex Steer Описание и работа
Инструкция Flex Steer — это система выбора трех режимов гидроусилителя руля в зависимости от предпочтений водителя или условий движения. • Дисплей на кластере, но гидроусилитель руля...
Описание и принцип работы рулевого колеса с подогревом
Описание Подогрев накладок на рукоятку руля вызывает жар. 1. Блок управления с подогревом 2. Подушка с подогревом Технические характеристики ПараметрСпецификацияНапряжение13,5 ВСопротивление нагревательной пластины1,4 ~ 1,8 x  � ...
Дополнительная информация:

Hyundai Tucson (NX4) 2022-2023 Руководство по эксплуатации: Цепи противоскольжения
Так как боковины радиальных шин тоньше, чем другие типы шин, они могут быть повреждены при установке некоторых виды цепей противоскольжения на них. Поэтому, рекомендуется использовать зимние шины вместо цепей противоскольжения. Если цепи противоскольжения должны использовать только оригинальные детали HYUNDAI. и установить...

Hyundai Tucson (LM) 2010-2015 Руководство по техническому обслуживанию: Порядок ремонта заднего дискового тормоза
Удаление 1. Снимите заднее колесо и шину. Момент затяжки : 88,3 ~ 107,9 Н·м (9,0 ~ 11,0 кгс·м, 65,1 ~ 79,6 фунт-фут) 2. Снимите верхний рычаг, ослабив болт (А) и гайку (В) заднего верхнего рычага. [Только 2WD] Момент затяжки : 137,2 ~ 156,9 Н·м (14,0 ~ 16,0 кгс·м, 101,2 ~ 115,7 фунт-фут) ...