Hyundai Tucson: индикаторы и датчики / схемы комбинации приборов

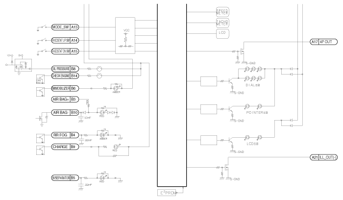
Принципиальная схема (1)

Принципиальная схема (2)

Блок-схема массажа

Компоненты комбинации приборов и расположение компонентов
Компоненты (1) Компоненты (2) ...
Описание и работа комбинации приборов
Описание Система вождения ЭКО Эта система предназначена для поощрения экологичного вождения, предоставляя водителю обратную связь в режиме реального времени. Индикатор ECO помогает вам двигаться в наиболее экономичном ...
Дополнительная информация:

Hyundai Tucson (LM) 2010-2015 Руководство по техническому обслуживанию: Выключатель пряжки ремня безопасности (BS), описание и работа
Описание SRSCM должен контролировать состояние водителя и переднего пряжка ремня безопасности пассажира. SRSCM предоставляет по одному контакту для каждого Вход состояния замков ремней безопасности водителя и переднего пассажира. ремень безопасности Цепь пряжки работает от внутреннего добавочного напряжения, подаваемого СРСКМ и...

Руководство по эксплуатации Hyundai Tucson (NX4) 2022-2023: Smart Cruise на основе навигации Операция управления
Интеллектуальный круиз-контроль на основе навигации может быть доступен, когда: Автоматическое изменение скорости на шоссе выбирается в меню настроек. Интеллектуальный круиз-контроль работает. Вы едете по контролируемому доступу дороги. Информация Для получения более подробной информации о том, как работать Интеллектуальный круиз-контроль, см. ...