Hyundai Tucson: Система ESC (электронная система стабилизации) / принципиальные схемы

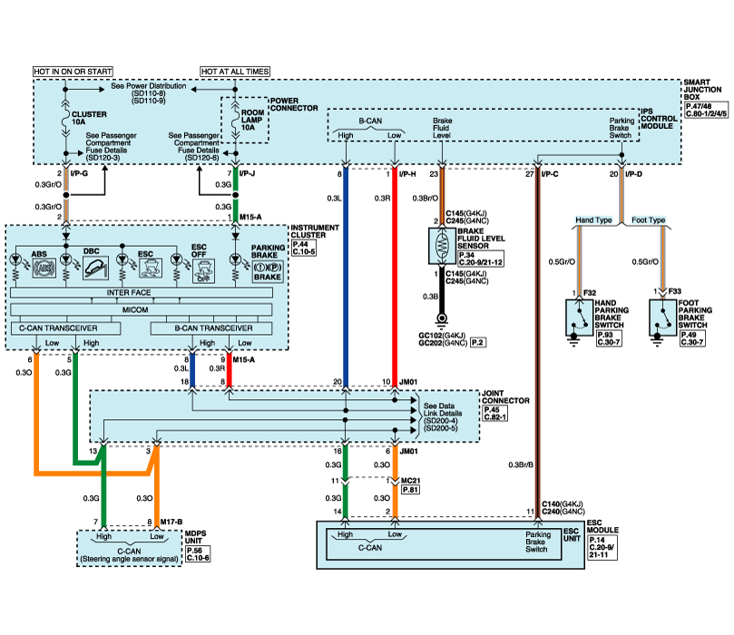
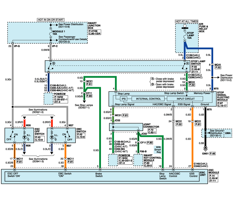
Вход/выход разъема ESC

Соединительный терминал
Спецификация
Примечание
Нет
Описание
29
ЗАЖИГАНИЕ1(+)
Высокий уровень напряжения пробуждения:
5,0 В < В < 16,0 В
Низкий уровень напряжения пробуждения
В < 2,4 В
Макс. ток: I < 50 мА
Икс
25
ПОС. АККУМУЛЯТОР 1.(СОЛЕНОИД)
Диапазон перенапряжения: 17,0 ± 0,5 В
Диапазон рабочего напряжения:
9,0 ± 0,5 В < В < 16,0 ± 0,5 В
Диапазон низкого напряжения:
7,0 ± 0,5 В < В < 9,5 ± 0,5 В
Макс. ток: I < 30A
Макс. ток утечки: I <0,1 мА
Икс
1
ПОС. АККУМУЛЯТОР 2.(МОТОР)
Диапазон рабочего напряжения:
9,0 ± 0,5 В < В < 16,0 ± 0,5 В Пусковой ток: I < 110 А
Максимальный ток: I <40A
Максимальный ток утечки: I <0,25 мА
Икс
38
ЗЕМЛЯ
Номинальный ток: I <550 мА
Макс. ток: I < 30A
Икс
13
ЗАЗЕМЛЕНИЕ ДВИГАТЕЛЯ НАСОСА
Пусковой ток: I < 110A
Максимальный ток: I < 60A
Икс
16
ВЫКЛЮЧАТЕЛЬ СТОП-СИГНАЛА
Входное напряжение (низкое): В <2 В
Входное напряжение (высокое): В > 4 В
Икс
11
ВЫКЛЮЧАТЕЛЬ СТОЯНОЧНОГО ТОРМОЗА

23
ВЫКЛЮЧАТЕЛЬ ESC

37
ВЫКЛЮЧАТЕЛЬ СЦЕПЛЕНИЯ

30
ПЕРЕКЛЮЧАТЕЛЬ ДБК

27
ПРИВОД РЕЛЕ ЭСС
Икс
Максимальный ток: 1<180 мА
Максимальное выходное высокое напряжение: IGN-1,2 В <  В < IGN+1,2 В
Икс
24
ПРИВОД РЕЛЕ HAC/DBC
Икс
28
ДАТЧИК ЗАДНИЙ ПРАВЫЙ ВЫХОД
Внешнее сопротивление подтягиванию: 1 Kx < V
Выходная нагрузка: 50 ± 20%
Икс
17
ДАТЧИК ПЕРЕДНИЙ ПРАВЫЙ ВЫХОД
Икс
14
ЛИНИЯ CAN-ШИНЫ (высокая)
Макс. Входной ток: I < 10 мА
Икс
2
ЛИНИЯ CAN-ШИНЫ (низкая)
Икс
22
МЕСТНАЯ ЛИНИЯ CAN-ШИНЫ (высокая)

35
МЕСТНАЯ ЛИНИЯ CAN BUS (низкая)

18
ДАТЧИК ПИТАНИЯ ПЕРЕДНИЙ ПРАВЫЙ
Выходной ток: макс. 30 мА
Выходное напряжение: V_BAT1-0,6 В ~ V_BAT1-1,1 В
Икс
34
ДАТЧИК ПЕРЕДНИЙ ЛЕВЫЙ ПИТАНИЕ
Икс
19
ДАТЧИК ЗАДНИЙ ПРАВЫЙ ПИТАНИЕ
Икс
33
ДАТЧИК ЗАДНИЙ ЛЕВЫЙ ПИТАНИЕ
Икс
31
ДАТЧИК ПЕРЕДНИЙ ПРАВЫЙ СИГНАЛ
Входной ток НИЗКИЙ: 5,9 ~ 8,4 мА
Входной ток ВЫСОКИЙ: 11,8 ~ 16,8 мА
Диапазон частот: 1 ~ 2500 Гц
Входная нагрузка: 50 ± 20%
тип. 7 мА
тип. 14 мА
21
ДАТЧИК ПЕРЕДНИЙ ЛЕВЫЙ СИГНАЛ
Икс
32
ДАТЧИК ЗАДНИЙ ПРАВЫЙ СИГНАЛ
Икс
20
ДАТЧИК ЗАДНИЙ ЛЕВЫЙ СИГНАЛ
Икс
10
МОЩНОСТЬ ДАТЧИКА G
Входное напряжение (высокое): V_BAT1-0,8 В
Максимальный выходной ток: I < 250 мА

12
ЗАЗЕМЛЕНИЕ ДАТЧИКА G


Схематическая диаграмма

Описание и работа
Описание ЭСК У оптимальной безопасности вождения теперь есть имя: ESC, электронная программа стабилизации. ESC распознает критические условия вождения, такие как паника реакции в опасных ситуациях, ...
Поиск неисправностей
Диагностика отказа 1. В принципе, управление ESC и TCS запрещено при отказе ABS. 2. При отказе ESC или TCS запрещается только отказавший системный контроль. 3. Однако, когда...
Дополнительная информация:

Hyundai Tucson (NX4) 2022-2023 Руководство по эксплуатации: Неисправность TPMS Индикатор
Индикатор неисправности TPMS загорается после того, как он мигает в течение примерно одного минуту, когда есть проблема с Система контроля давления в шинах. Обратитесь к специалисту для проверки системы. официального дилера HYUNDAI, как только возможный. УВЕДОМЛЕНИЕ Если есть неисправность в системе TPMS, индивидуал ...

Hyundai Tucson (NX4) 2022-2023 Руководство по эксплуатации: Внимание водителю Неисправности и ограничения
Внимание водителя неисправность Когда предупреждение о внимании водителя не работает нормально, программа "Проверить драйвер" Система предупреждения "Внимание" (DAW)" может появиться предупреждающее сообщение, и () сигнальная лампа может загореться комбинация приборов. Иметь автомобиль проверен уполномоченным HY ...