Kia Cadenza: электрические схемы сидений / вентиляция сидений

Kia Cadenza YG 2016-2023 Руководство по ремонту / Электрическая система кузова / Сиденье электрическое / Схематические схемы сиденья с вентиляцией

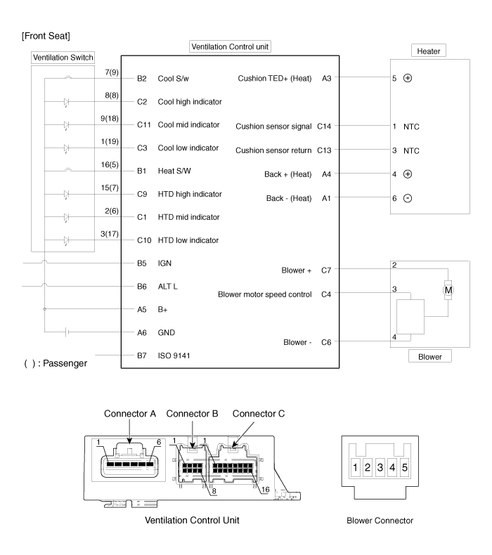
Принципиальная электрическая схема

Компоненты сиденья с вентиляцией и расположение компонентов
Компоненты (1) 1. Вентилятор2. ЭБУ вентиляции3. Переключатель вентиляции сиденья Компоненты (2) ...
Описание и работа сиденья с вентиляцией
Описание Используя силу ударов ВЕНТИЛЯТОРА по сиденью, удалите влагу, пот и тепло с пассажиров и поверхности сидений. Он вдыхает воздух в помещении через вентилятор, установленный на сиденье ку...
Дополнительная информация:

Руководство по эксплуатации Kia Cadenza YG 2016-2023: Электростеклоподъемники


Кнопка СТАРТ/СТОП ДВИГАТЕЛЯ должен быть в положении ON для питания окна для работы. Каждая дверь имеет переключатель стеклоподъемника, который управляет окно двери. У водителя есть сила переключатель блокировки окна, который может блокировать работу задних пассажирских стекол. Электрические стеклоподъемники могут работать ...

Руководство по обслуживанию Kia Cadenza YG 2016-2023: Компоненты заднего амортизатора и расположение компонентов


Компоненты 1. Самоконтрящаяся гайка2. Кронштейн в сборе3. Резина бампера4. Пылезащитный чехол5. Амортизатор ...