Kia Optima Hybrid: электрические стеклоподъемники / электрические схемы переключателей стеклоподъемников

Принципиальная электрическая схема
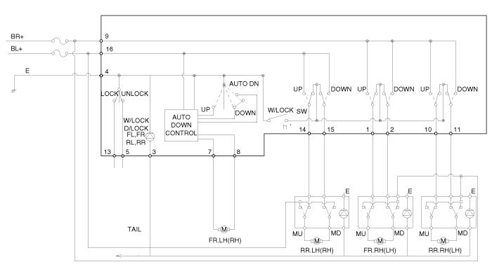
Переключатель стеклоподъемника водителя (1)

Переключатель стеклоподъемника водителя (2)
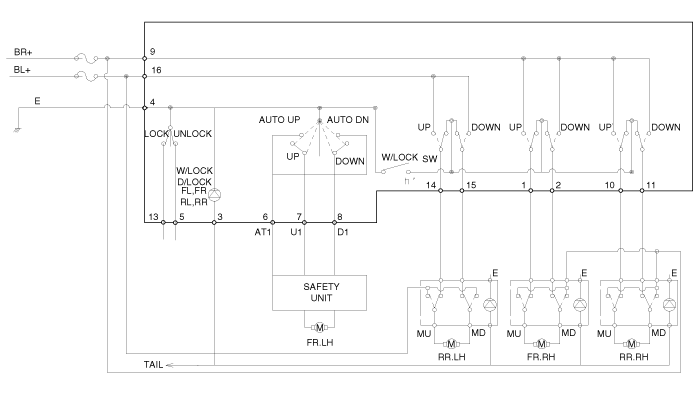
[Авто вниз]

[Безопасность вверх/вниз]

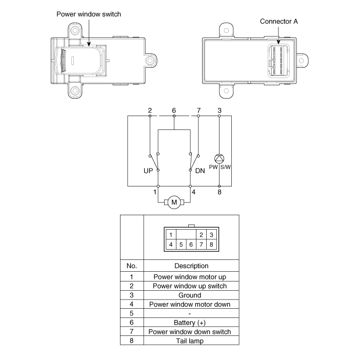
Переключатель пассажирского и заднего стеклоподъемника

Задний стеклоподъемник + переключатель обогрева сиденья

Процедуры ремонта электродвигателя стеклоподъемника

Осмотр электродвигателя переднего стеклоподъемника Осмотр 1. Снимите панель отделки передней двери. (см. группу БД - "Передняя дверь") 2. Отсоединить разъем от двигателя. 3. Подсоедините клеммы двигателя №2...

Процедуры ремонта переключателя стеклоподъемника

Проверка Главный выключатель стеклоподъемника Проверка 1. Отсоедините отрицательную (-) клемму аккумуляторной батареи. 2. Снимите панель обшивки передней двери. (См. группу БД - "Передняя дверь") 3. Отсоединяем разъем от...

Дополнительная информация:

Kia Optima Hybrid (TF HEV) 2016-2020 Руководство по обслуживанию: Технические характеристики


Технические характеристики ОписаниеТехнические характеристикиОграничениеОбщиеТипРядный, DOHC?Количество цилиндров4?Диаметр88 мм (3,464 дюйма)?Ход поршня 97 мм (3,819 дюйма)?Общий рабочий объем2359 куб.см (143,90 куб.дюйма)?Степень сжатия 13,0 ± 0,3 : 1 2?Фазы газораспределенияВпускной клапанОткрывается в точке 10° ~ ВМТ 35°?Закрывается в точке ABDC 100° ~ 55°?Выпускной ...

Kia Optima Hybrid (TF HEV) 2016-2020 Руководство по техническому обслуживанию: Компоненты рычага переключения передач и расположение компонентов


Компоненты 1. Рычаг переключения передач в сборе 2. Фиксатор троса переключения передач3. Трос переключения передач в сборе4. Переключатель положения «Р»5. Корпус переключателя ручного режима6. Соленоид блокировки переключения передач...