Kia Sorento: Circuit Diagram - SRSCM - Restraint - Kia Sorento XM 2011-2023 Service Manual Киа Соренто: принципиальная схема

XM второго поколения (2011-2023 гг.) / Kia Sorento XM 2011-2023 Руководство по ремонту / Сдержанность / SRSCM / Принципиальная электрическая схема

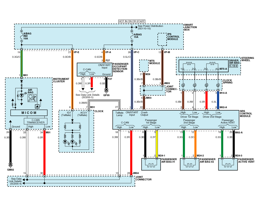
Принципиальная схема (2)

Принципиальная схема (3)

Установка системы обнаружения присутствия (ODS)
1. Установите узел подушки сиденья с ODS. (См. Кузовная группа- Сиденье) 2. Установите переднее пассажирское сиденье в сборе. (...
Терминал разъема SRSCM
Приколоть Функция (разъем А) Приколоть Функция (разъем B) 1 Зажигание 1 Преднатяжитель ремня безопасности [Водитель] Высокий 2 - ...
Смотрите также:

Задняя часть кузова
* Эти размеры, указанные на этом рисунке, являются фактическими измерениями. размеры. [Единица измерения: мм (дюймы)] Боковой внешний п ...

Задняя ступица — проверка держателя
1. Проверьте ступицу на наличие трещин и шлицы на износ. 2. Проверьте балку заднего моста на наличие трещин. ...

Устранение неполадок термостата
Симптомы Возможные причины Средство Утечка охлаждающей жидкости • От прокладки термостата Проверить болты крепления...