Kia Sorento: Circuit Diagram (1) - Button Engine Start System - Body Electrical System - Kia Sorento XM 2011-2023 Service Manual Киа Соренто: Принципиальная схема (1)

XM второго поколения (2011-2023 гг.) / Kia Sorento XM 2011-2023 Руководство по ремонту / Электрическая система кузова / Кнопка запуска двигателя / Принципиальная схема (1)

Расположение компонента
1. Блок смарт-ключа 2. Дверная ручка и дверная антенна 3. Внутренняя антенна 2 4. Внутренняя антенна 3 5. Переключатель крышки багажника 6. Бамперная антенна 7. Брелок-ключ 8. IPM (Интеллектуальный...
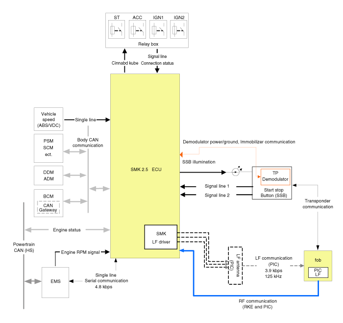
Принципиальная схема (2)
...
Смотрите также:

Установка головного устройства AVN
1. Подсоедините разъемы головного устройства AVN и кабель. 2. Установите головное устройство AVN. 3. Установить центральный воздуховод...

Описание
Система контроля выбросов паров топлива предотвращает накопление паров топлива в топливе. бак от испарения в атмосферу. Когда топливо испаряется в топливе бак, пар проходит через вентиляционные шланги...

Удаление блока телематики (TMU)
• Будьте осторожны, чтобы не поцарапать аварийную подушку и связанные с ней детали. ...