Kia Sorento: Relay Box (Engine Compartment) Inspection - Fuses And Relays - Body Electrical System - Kia Sorento XM 2011-2023 Service Manual Kia Sorento: осмотр блока реле (моторный отсек)

XM второго поколения (2011-2023 гг.) / Kia Sorento XM 2011-2023 Руководство по ремонту / Электрическая система кузова / Предохранители и реле / Осмотр блока реле (моторный отсек)

1.
Отсоедините отрицательную (-) клемму аккумуляторной батареи.
2.
Вытащите реле из блока реле в моторном отсеке.
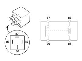
Силовое реле (тип А)
Проверьте целостность цепи между клеммами.
A : Пусковое реле №1
B : Реле антиобледенителя ветрового стекла
C : Реле розетки
D : Реле звукового сигнала охранной сигнализации
E : Реле правой фары
F : реле IGN 1
G : Реле IGN 2
H : Реле обогревателя заднего стекла
I : Реле звукового сигнала
J : Реле вентилятора
1.
Между клеммами №30 и №87 должна быть непрерывность. когда питание и земля подключены к клеммам №85 и №86.
2.
Между клеммами №30 и №87 не должно быть непрерывности. при отключении питания.

Силовое реле (тип B)
Проверьте целостность цепи между клеммами.
A : Реле стеклоочистителя (низкий уровень)
B: пусковое реле №2 (без иммобилайзера/умного ключа)/реле ACC (со смарт-ключом)
1.
Между клеммами №30 и №87 должна быть непрерывность. когда питание и земля подключены к клеммам №85 и №86.
2.
Между клеммами №30 и №87а должна быть непрерывность. при отключении питания.
3.
Между терминалами №30 и №87 не должно быть преемственности. при отключении питания.

Силовое реле (тип C)
Проверьте целостность цепи между клеммами.
A : Реле поддона конденсатора №1
1.
Между клеммами №30 и №87 должна быть непрерывность. когда питание и земля подключены к клеммам №85 и №86.
2.
Между клеммами №30 и №87 не должно быть непрерывности. при отключении питания.

Предохранитель
1.
Убедитесь, что в держателях предохранителей нет люфта и что предохранители удерживаются надежно.
2.
Правильно ли указаны номиналы предохранителей для каждой цепи?
3.
Есть ли перегоревшие предохранители?
Если необходимо заменить предохранитель, обязательно используйте новый предохранитель одинаковая емкость. Всегда определяйте, почему предохранитель перегорел первым и полностью устранить проблему перед установкой нового предохранителя.
Мульти предохранитель

-
Мультипредохранитель необходим для замены в массе при его повреждении только один предохранитель.
-
При замене многофункционального предохранителя см. "Моторный отсек". - расположение компонентов».
-
Правильно используйте номиналы нескольких предохранителей для каждой цепи.
Замена блока EMS
1.
Отсоедините отрицательную (-) клемму аккумуляторной батареи.
2.
Выдвиньте 3 крючка в блоке реле в машинном отделении в направлении стрелки. и установите коробку EMS в сборе (A).

3.
Отсоедините разъем и снимите коробку EMS в сборе (А).

Блок реле (моторный отсек) Расположение компонентов
...
Блок реле (в салоне) Расположение компонентов
...
Смотрите также:

Схема комбинации приборов
...

Технические характеристики
Блок смарт-ключа Предметы Спецификация Номинальное напряжение 12 В постоянного тока Рабочее напряжение 9 ~ 16 В постоянного тока Рабочая Температура -22°F ~ 167°F ...

Принципиальная электрическая схема
...