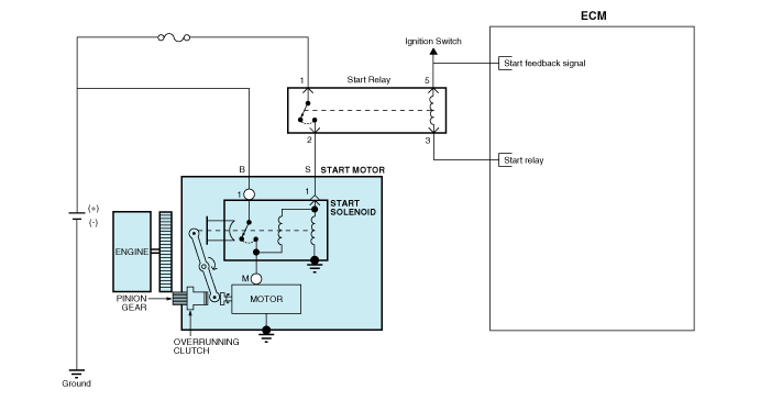
Kia Sorento: Starter Circuit Diagram - Starting System - Engine Electrical System - Kia Sorento XM 2011-2023 Service Manual Kia Sorento: схема стартера

XM второго поколения (2011-2023 гг.) / Kia Sorento XM 2011-2023 Руководство по ремонту / Электрическая система двигателя / Стартовая система / Схема стартера

Стартовые компоненты
1. Передний корпус 2. Соленоид стартера в сборе 3. Рычаг 4. Набивка рычага 5. Узел планетарного вала 6. Планетарная передача в сборе 7. Упаковка 8. Щит 9. Аматурная сборка...
Снятие стартера
1. Отсоедините отрицательную клемму аккумуляторной батареи. 2. Снимите воздуховод и воздушный фильтр в сборе. (См. Механическую систему двигателя - &quo...
Смотрите также:

Управление дверными замками снаружи автомобиля
Поверните ключ по часовой стрелке, чтобы разблокировать, и против часовой стрелки, чтобы заблокировать. Если вы запираете дверь водителя ключом, все двери автомобиля запираются автоматически. От водительской двери поверните ключ в...

Проверка комнатной лампы
1. Снимите комнатный светильник в сборе, затем проверьте непрерывность между терминалы. [люк] [Общий] ...

Схематические диаграммы
Принципиальная схема МДПС Соединитель жгута Соединитель Номер контакта Имя контакта Батарея 1 Батарея + 2 Батарея - Автомобиль ...