Kia Soul EV: электрические стеклоподъемники / электрические схемы переключателей стеклоподъемников

Kia Soul EV (PS EV) 2015-2020 Руководство по техническому обслуживанию / Электрическая система кузова / Электрические стеклоподъемники / Принципиальные схемы переключателей стеклоподъемников

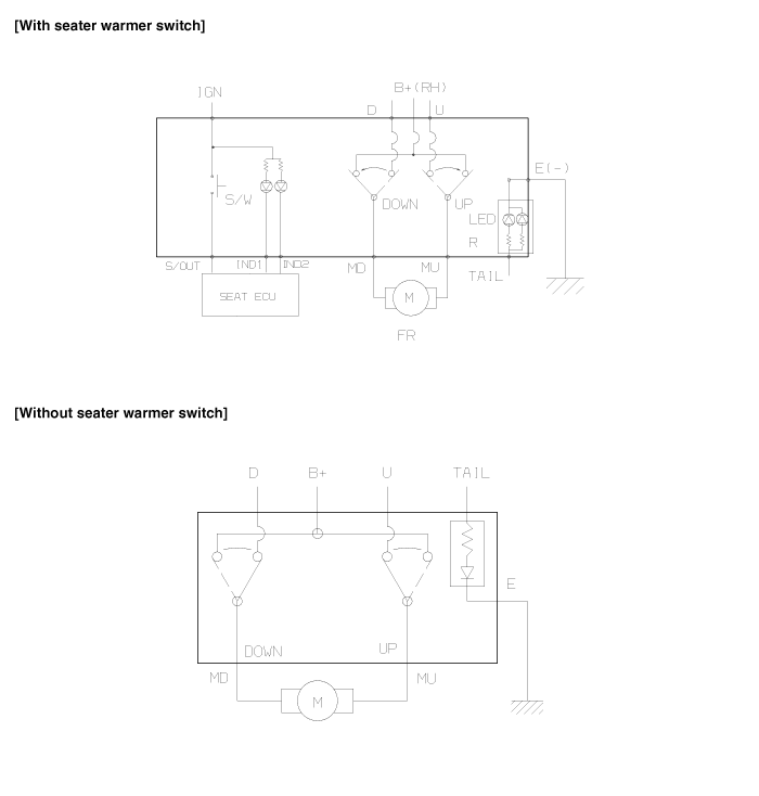
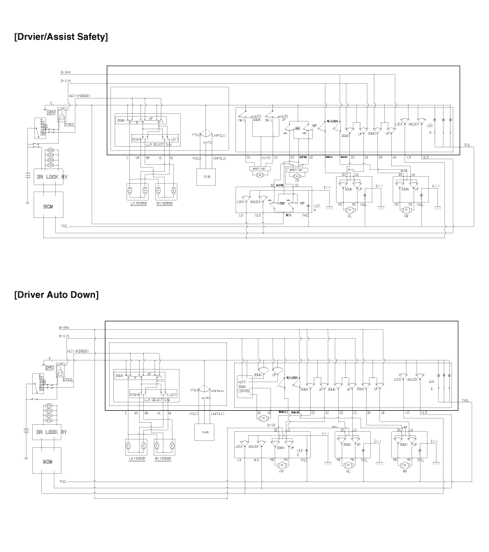
Принципиальная электрическая схема
Переключатель стеклоподъемника водителя

Вспомогательный переключатель стеклоподъемников

Переключатель заднего стеклоподъемника

Компоненты переключателя стеклоподъемников и их расположение
Компоненты Переключатель стеклоподъемника водителя Вспомогательный переключатель стеклоподъемников Переключатель заднего стеклоподъемника ...
Процедуры ремонта переключателя стеклоподъемника
осмотр Проверка главного переключателя стеклоподъемников 1. Отсоедините отрицательную (-) клемму аккумуляторной батареи. 2. Снимите обивку передней двери. (См. Кузов — «Облицовка передней двери») 3. Отсоедините конн...
Дополнительная информация:

Kia Soul EV (PS EV) 2015-2020 Руководство по техническому обслуживанию: Датчик присутствия (ODS) Процедуры ремонта


Удаление 1. Отсоедините отрицательный кабель аккумуляторной батареи и подождите не менее трех минут перед началом работы. 2. Снимите переднее пассажирское сиденье в сборе. (См. группу «Кузов — Сиденье») 3. Снимите подушку сиденья в сборе. (См. группу «Кузов — Сиденье») Монтаж 1. Установить ...

Kia Soul EV (PS EV) 2015-2020 Руководство по обслуживанию: Описание и работа


Описание СТЕКЛА Лампа – Предупреждение о перекачке шин / утечке. 1. Включите условие • Когда давление в шинах ниже допустимого порога • Когда датчик обнаруживает быструю утечку. • Указывает на то, что шину необходимо повторно накачать до давления таблички / ремонта ...