Kia Soul EV: SRSCM / Принципиальные схемы

Kia Soul EV (PS EV) 2015-2020 Руководство по техническому обслуживанию / Сдержанность / SRSCM / Принципиальные схемы

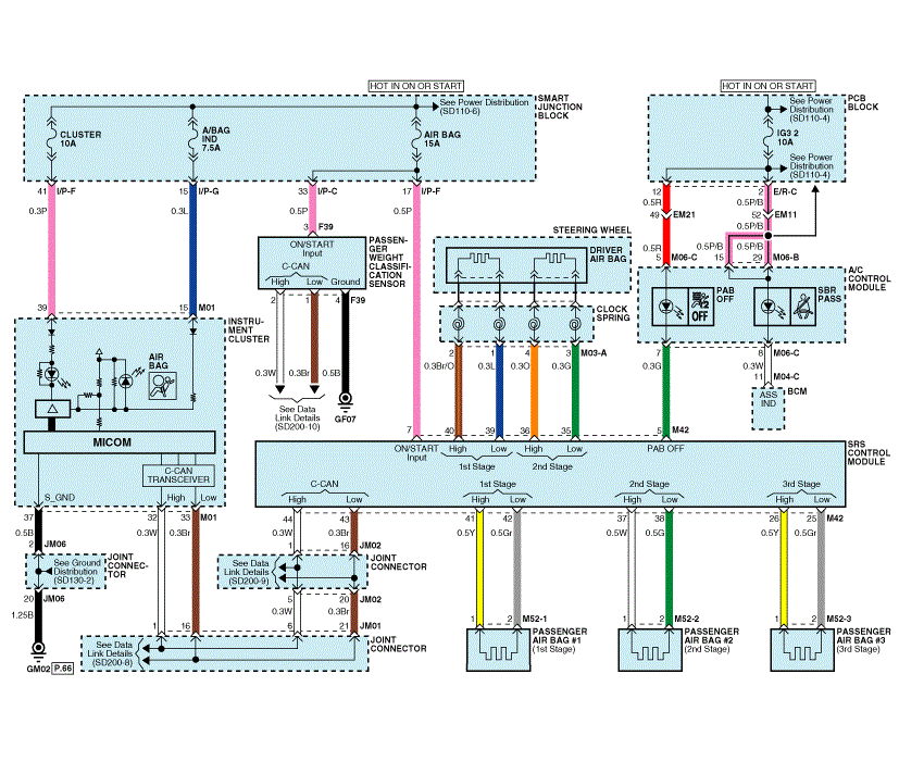
Принципиальная схема (1)

Принципиальная схема (2)

Принципиальная схема (3)

Терминал разъема SRSCM
Соединитель жгута

Пин №
Функция (разъем А)
Пин №
Функция (разъем B)
1
-
-
1
-
-
2
-
-
2
-
-
3
-
-
3
-
-
4
-
-
4
-
-
5
г
Модуль управления кондиционером (SBR PASS)
5
Б
Боковой удар пассажира
Сенсор (высокий)
6
-
-
6
Д
Боковой удар пассажира
Сенсор (низкий)
7
п
Умная распределительная коробка (предохранитель - ПОДУШКА БЕЗОПАСНОСТИ)
7
О
Датчик бокового удара водителя (низкий уровень)
8
р
Датчик фронтального удара водителя (высокий уровень)
8
г
Датчик бокового удара водителя (высокий уровень)
9
л
Датчик фронтального удара водителя (низкий уровень)
9
-
-
10
г
Датчик фронтального удара пассажира (низкий уровень)
10
Б
Земля (GF07)
11
О
Датчик фронтального удара пассажира (высокий уровень)
11
-
-
12
-
-
12
гр
Боковая подушка безопасности водителя (высокая)
13
-
-
13
ж/б
Боковая подушка безопасности водителя (низкая)
14
-
-
14
П/Б
Боковая подушка безопасности пассажира (низкая)
15
-
-
15
О/Б
Боковая подушка безопасности пассажира (высокая)
16
-
-
16
-
-
17
-
-
17
-
-
18
-
-
18
-
-
19
-
-
19
-
-
20
-
-
20
-

21
-
-
21
р
Сторона давления пассажира
Датчик удара (низкий)
22
-
-
22
л
Сторона давления пассажира
Сторона давления пассажира
23
-
-
23
Б
Шторка безопасности водителя (высокая)
24
-
-
24
р
Шторка безопасности водителя (низкая)
25
гр
Подушка безопасности пассажира №3 (низкая)
25
Д
Пассажирский тент Aig Bag (низкий)
26
Д
Подушка безопасности пассажира №3 (высокая)
26
Вт
Пассажирский тент Aig Bag (высокий)
27
-
-
27
-
-
28
-
-
28
-
-
29
-
-
29
-
-
30
-
-
30
-
-
31
-
-
31
г
Ремень безопасности пассажира
Пряжка-переключатель (+)
32
бр
Встроенный блок управления тормозом
(локальный низкий уровень CAN)
32
Б/О
Выключатель пряжки ремня безопасности водителя (+)
33
г
Встроенный блок управления тормозом
(локальный высокий уровень CAN)
33
Б
Выключатель пряжки ремня безопасности водителя (-)-
34
О
Вывод сбоя
34
л
Натяжитель якоря водителя (высокий)
35
г
Подушка безопасности водителя (2-я ступень (низкая))
35
бр
Натяжитель якоря водителя (низкий)
36
О
Подушка безопасности водителя (2-я ступень (высокая))
36
Д
Натяжитель якоря пассажира (низкий)
37
Вт
Подушка безопасности пассажира №2 (высокая)
37
Гр-
Натяжитель якоря пассажира (высокий)
38
г
Подушка безопасности пассажира №2 (низкая)
38
Б
Преднатяжитель ремня безопасности водителя (высокий)
39
л
Подушка безопасности водителя (1-я ступень (низкая))
39
р
Преднатяжитель ремня безопасности водителя (низкий)
40
Братан
Подушка безопасности водителя (1-я ступень (высокая))
40
бр
Преднатяжитель ремня безопасности пассажира (низкий)
41
Д
Подушка безопасности пассажира №1 (высокая)v
41
л
Преднатяжитель ремня безопасности пассажира (высокий)
42
гр
Подушка безопасности пассажира №1 (низкая)
42
Б
Переключатель BaltBuckle пассажирского сиденья (-)
43
бр
C-CAN (низкий)
43
Вт
Датчик бокового удара давления водителя (низкий уровень)
44
Вт
C-CAN (высокий)
44
бр
Датчик бокового удара давления водителя (высокий)

Датчик обнаружения присутствия (ODS) Процедуры ремонта
Удаление 1. Отсоедините отрицательный кабель аккумуляторной батареи и подождите не менее трех минут перед началом работы. 2. Снимите переднее пассажирское сиденье в сборе. (См. группу «Кузов — Сиденье») 3 ...
Тормозная система
...
Дополнительная информация:

Kia Soul EV (PS EV) 2015-2020 Руководство по техническому обслуживанию: Процедуры ремонта динамиков


осмотр 1. Устранение неполадок для динамика (1) Базовый осмотр динамика Проверьте звук из динамика, убедившись, что винты крепления динамика удалены, а разъем проводки подсоединены точно для устранения вибрации, передающейся от отделки кузова и окружающие части. ...

Kia Soul EV (PS EV) 2015-2020 Руководство по обслуживанию: Описание и работа датчика температуры окружающего воздуха


Описание Датчик температуры окружающего воздуха расположен в передней части конденсатор и измеряет температуру окружающего воздуха. это отрицательный тип термистор; сопротивление увеличивается с понижением температуры, а уменьшаются с повышением температуры. Выход датчика будет использоваться для температуры нагнетания ...