Kia Soul EV: VESS (виртуальная звуковая система двигателя) / принципиальные схемы блока виртуальной звуковой системы двигателя

Kia Soul EV (PS EV) 2015-2020 Руководство по техническому обслуживанию / Электрическая система кузова / VESS (виртуальная звуковая система двигателя) / Принципиальные схемы блока звуковой системы Virtual Engine

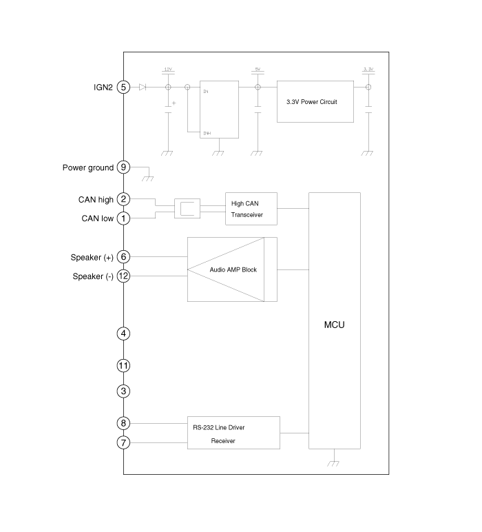
Принципиальная электрическая схема

Компоненты звуковой системы Virtual Engine и расположение компонентов
Расположение компонента ...
Процедуры ремонта блока звуковой системы Virtual Engine
Удаление 1. Отсоедините отрицательную (-) клемму аккумуляторной батареи. 2. Снимите головное устройство AVN. (См. Электрическая система кузова — «Система AVN») 3. Отсоедините разъем блока VESS (А). 4. Рем ...
Дополнительная информация:

Kia Soul EV (PS EV) 2015-2020 Руководство по техническому обслуживанию: Компоненты чехла подушки заднего сиденья и расположение компонентов


Расположение компонента 1. Чехол подушки заднего сиденья ...

Kia Soul EV (PS EV) 2015-2020 Руководство по техническому обслуживанию: Датчик температуры нагревателя высоковольтной батареи Процедуры ремонта


осмотр В модулях №1 и №8 установлен датчик температуры нагревателя высоковольтной батареи. 1. Выключите зажигание. 2. Отключите высокое напряжение. (См. Система управления аккумуляторной батареей — «Процедура отключения при высоком напряжении») 3. Убрать высоковольтную...