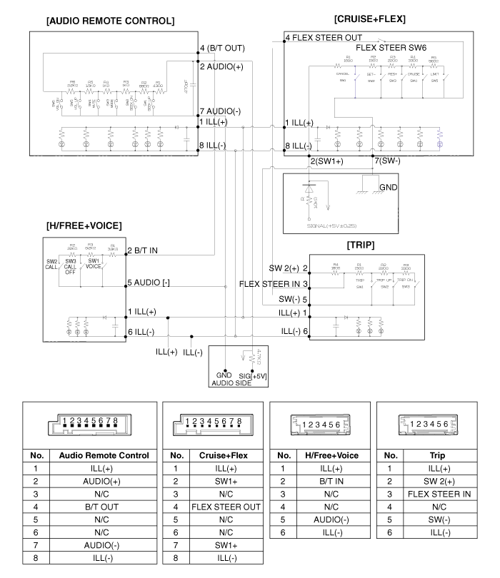
Kia Cee'd: Система круиз-контроля / Переключатель круиз-контроля Принципиальные схемы

Принципиальная электрическая схема

1. Переключатель дистанционного управления (аудио)
2. Переключатель дистанционного управления (Круиз)
3. Переключатель громкой связи Bluetooth
4. Выключатель отключения

Поиск неисправностей
Таблицы симптомов неисправностей Симптом неисправности 1 Симптом неисправности 2 Симптом неисправности Вероятная причина Средство ...
Процедуры ремонта переключателя круиз-контроля
Удаление 1. Отсоедините клемму аккумулятора (-). 2. Снимите модуль подушки безопасности с рулевого колеса. (См. Сдержанность - "...
Дополнительная информация:

Kia Cee'd JD Service Manual: Датчик бокового удара (SIS) Процедуры ремонта
Удаление Датчик бокового удара 1. Отсоедините отрицательный кабель аккумулятора и подождите не менее трех минут. перед началом работы. 2. Снять обивку дверного проема. (См. раздел Кузов — «Облицовка дверных потертостей») ...

Руководство по эксплуатации Ford Escape 2020-2023: что такое электрическая эффективность — подключаемый гибридный электромобиль (PHEV)
Этот экран показывает ваш средний уровень вождения расстояние на киловатт-час электроэнергии используется на вашем подключаемом гибридном автомобиле. значение рассчитывается только тогда, когда ваш имеющаяся электрическая плита используется и бензиновый двигатель выключен. Также показано расстояние на полной зарядке. Этот это оценка...

avtotema.org