Kia Cee'd: Система зарядки / преобразователь постоянного тока Принципиальные схемы

Принципиальная электрическая схема

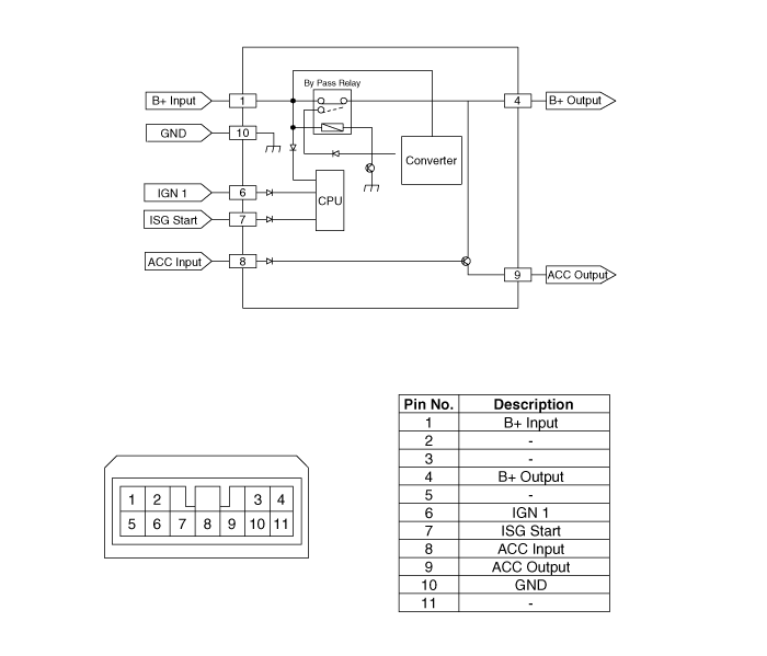
Преобразователь постоянного тока в постоянный. Компоненты и расположение компонентов
Расположение компонента 1. Преобразователь постоянного тока в постоянный (левый руль) 2. Преобразователь постоянного тока в постоянный (правый руль) ...
Процедуры ремонта преобразователя постоянного тока постоянного тока
Удаление 1. Отсоедините отрицательную клемму аккумуляторной батареи. 2. Снимите корпус перчаточного ящика. (См. Кузов - «Корпус перчаточного ящика» ...
Дополнительная информация:

Руководство по эксплуатации Kia Cee'd JD: необходимые проверки
Уровни жидкостей, таких как моторное масло, двигатель охлаждающая, тормозная и омывающая жидкости следует регулярно проверять, с точным интервалом в зависимости от жидкость. Более подробная информация представлена ​​в глава 7, «Техническое обслуживание». ПРЕДУПРЕЖДЕНИЕ Вождение в состоянии отвлечения внимания может привести к в потере v...

Руководство по эксплуатации Ford Escape 2020-2023: данные настроек
Ваш автомобиль оснащен электронными блоками управления. которые имеют возможность хранить данные на основе в ваших личных настройках. Данные хранятся локально в автомобиле или на устройствах что вы подключаете к нему, например, USB диск или цифровой музыкальный проигрыватель. Вы можете удалить некоторые из этих данных, а также выбрать ...

avtotema.org