Kia Cee'd: Схема рулевого колеса / Flex Steering

Руководство по ремонту Kia Cee'd JD. / Рулевая система / Руль / Схемы гибкого рулевого управления

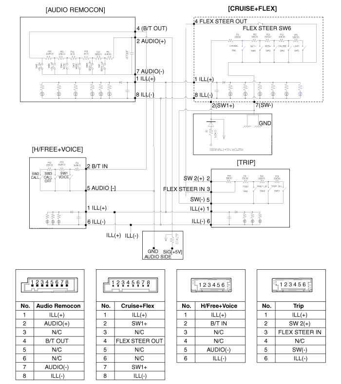
Принципиальная электрическая схема

Гибкое рулевое управление Описание и работа
Инструкция Flex Steering — это система выбора трех режимов гидроусилителя руля в зависимости от предпочтения водителя или условия вождения. ...
Процедуры ремонта гибкого рулевого управления
осмотр 1. Проверьте переключатель дистанционного управления аудиосистемой (A) на наличие сопротивления между клеммами. в каждом положении переключателя. Выключатель ...
Дополнительная информация:

Руководство по обслуживанию Kia Cee'd JD: компоненты регулировки высоты и расположение компонентов
Расположение компонента [5Door, только фургон] 1. Регулировка высоты ...

Руководство по эксплуатации Ford Escape 2020-2023: Включение и выключение стеклоочистителя заднего стекла. Обратное стирание
Включение и выключение стеклоочистителя заднего стекла Прерывистое стирание. Непрерывная салфетка. Очиститель заднего стекла выключен. Обратное стирание Что такое обратное стирание Обратный стеклоочиститель включает заднее стекло стеклоочиститель при переключении на заднюю передачу (R) и дворники включены. Настройки обратного стирания Нажмите Настройки на...

avtotema.org