Kia Cee'd: Схема системы громкой связи / переключатель громкой связи

Принципиальная электрическая схема
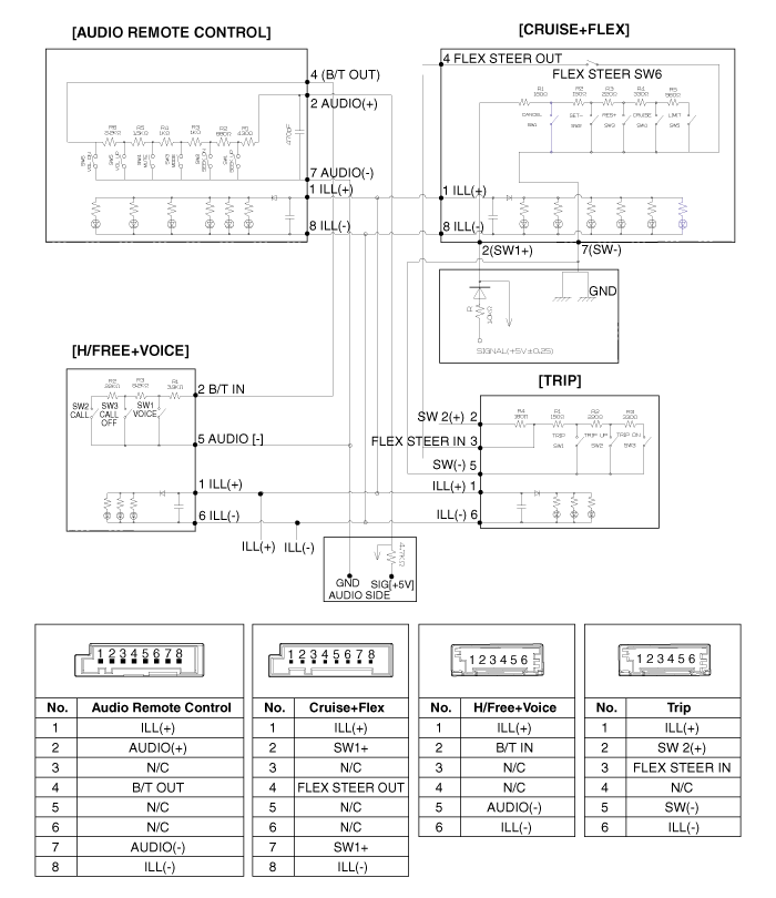
Введите

1. Переключатель дистанционного управления (левый: Аудио)
2. Переключатель дистанционного управления (правый: Cruise+Flex)
3. Переключатель громкой связи Bluetooth
4. Выключатель отключения

Тип Б

1. Переключатель режимов аудио и привода
2. Переключатель отключения и круиз-контроля
3. Переключатель распознавания голоса
4. Переключатель ограничения скорости

Поиск неисправностей
Поиск неисправностей Проблема Возможная причина Решение Нет сопряжения Устройство Bluetooth в автомобиле недоступно для обнаружения. ...
Процедуры ремонта переключателя громкой связи
осмотр Введите 1. Проверьте выключатель дистанционного управления аудиосистемой (A) на наличие сопротивления между разъемом 3 и 4 в каждом положении переключателя. [Ау...
Дополнительная информация:

Руководство по эксплуатации Kia Cee'd JD: Запуск двигателя
ПРЕДУПРЕЖДЕНИЕ Всегда носите подходящую обувь при эксплуатации вашего автомобиля. Неподходящая обувь (высокие каблуки, лыжная сапоги и т. д.) могут мешать ваша способность использовать тормоз и педаль газа. Не запускайте автомобиль с педаль акселератора нажата. машина может двигаться и...

Руководство по эксплуатации Kia Cee'd JD: автозапуск
Для перезапуска двигателя с холостого хода режим Нажмите педаль сцепления, когда рычаг находится в положении N (нейтральное). Сообщение «Нажмите педаль сцепления для автоматического Пуск" появится на ЖК-дисплее. Двигатель запустится, и зеленый Индикатор AUTO STOP () на инструментальный ключ ...

avtotema.org