Kia Cee'd: Система освещения / Лампа потолочной консоли Процедуры ремонта

осмотр
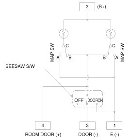
1.
Снимите блок лампы потолочной консоли, затем проверьте целостность цепи. между терминалами. Если непрерывность не соответствует указанной, замените выключатель лампы карты.
[Тип без люка]

Нет.
Описание
1
Земля(-)
2
Батарея(+)
3
Дверь(-)
4
Комната(+)

[Тип панорамы]

Нет.
Описание
1
Земля(-)
2
Комната(+)
3
Батарея(+)
4
Дверь(-)

Удаление
1.
Отсоедините отрицательную (-) клемму аккумуляторной батареи.
2.
Если необходимо заменить только лампочку, замените лампочку после открытия линзу потолочной консоли (A).
[Тип без люка]

[Тип панорамы]

3.
Ослабьте 2 винта, удерживающие потолочную консоль (A).

4.
Отсоедините разъемы (А) выключателя люка и выключателя освещения, затем снимите блок лампы потолочной консоли.

Монтаж
1.
Установите потолочную консольную лампу после подключения панорамной крыши. разъем переключателя и разъем лампы.
2.
Установите линзу, затянув 2 винта.
Процедуры ремонта комнатной лампы
осмотр Комнатная лампа 1. Убедитесь, что выключатель работает правильно после отключения комнаты разъем лампы (А). Рем ...
Процедуры ремонта лампы номерного знака
Удаление [5Дверь] 1. Отсоедините отрицательную (-) клемму аккумуляторной батареи. 2. Снимите блок лампы номерного знака, нажав на фиксатор...
Дополнительная информация:

Руководство по эксплуатации Kia Cee'd JD: Охлаждающая жидкость двигателя
Система охлаждения высокого давления имеет резервуар заполнен круглогодичным антифризом охлаждающая жидкость. Резервуар заполняется на заводе. Проверьте защиту от замерзания и уровень концентрации охлаждающей жидкости не реже одного раза в года, в начале зимнего сезона, а перед поездкой в ​​более холодную...

Руководство по обслуживанию Kia Cee'd JD: Процедуры ремонта выключателя аварийной сигнализации
осмотр 1. Он сможет быстро диагностировать дефекты аварийного выключателя с помощью GDS. GDS может принудительно управлять приводом, контролировать входные/выходные значения и самодиагностика. 2. Выберите модель и «BCM». ...

avtotema.org