Kia Cee'd: Система ESP (Электронная программа стабилизации) / Принципиальные схемы

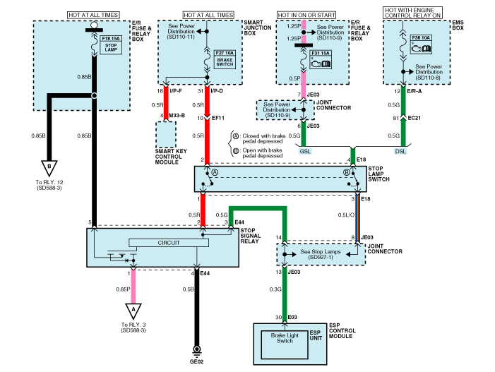
Принципиальная схема - ESP (1)

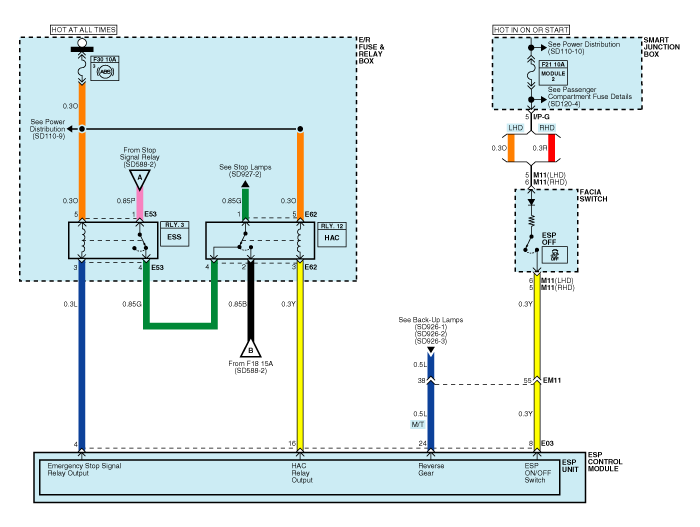
Принципиальная схема - ESP (2)

Принципиальная схема - ESP (3)

Принципиальная схема - ESP (4)

Вход/выход разъема ESP

Номер провода
Обозначение
Текущий
максимально допустимое сопротивление провода R_L (мОм)
Макс
мин
13
Земля для рециркуляционного насоса
39 А
10 А
-
38
Земля для электромагнитных клапанов и
ЭБУ
15 А
2 А
-
1
Электропитание двигателя насоса
39 А
10 А
-
25
Электропитание электромагнитных клапанов
15 А
2 А
-
32
Напряжение для гибридного ЭБУ
1 А
500 мА
60
22,6,20,31
сигнал датчика скорости колеса FL, FR, RL, RR
16,8 мА
5,9 мА
250
34,18,33,19
Электропитание активного датчика частоты вращения колеса FL, FR, RL, RR
16,8 мА
5,9 мА
250
30
Выключатель стоп-сигнала (Сигнал)
10 мА
5 мА
250
14
CAN Низкий
30 мА
20 мА
250
26
CAN Высокий
30 мА
20 мА
250
27
Выход датчика скорости колеса
Открытый сток
-
-
8
Пассивный переключатель ESP (Сигнал)
10 мА
5 мА
250
4
Выходной сигнал ЭСС
200 мА
100 мА
150
16
Входной сигнал привода стоп-сигнала
200 мА
100 мА
150
10
Сигнал выключателя стояночного тормоза
10 мА
5 мА
250
23
Переключатель сцепления
10 мА
5 мА
250

Описание и работа
Описание ЭСП У оптимальной безопасности вождения теперь есть имя: ESP, электронная программа стабилизации. ESP распознает критические условия вождения, такие как панические реакции при опасности ...
Поиск неисправностей
Диагностика отказа 1. В принципе, управление ESP и TCS запрещено при отказе ABS. 2. При выходе из строя ESP или TCS срабатывает только неисправный ...
Дополнительная информация:

Руководство по обслуживанию Kia Cee'd JD: Описание и работа приемника TPMS
Описание Он автоматически ищет местоположение датчика и изучает новый датчик. Чтобы проверить неисправность системы или транспортного средства, используйте информацию датчика, расстояние, нечеткий шум, состояние автоматического обучения, состояние аккумуляторной батареи автомобиля и состояние внутреннего ресивера. ...

Руководство по эксплуатации Ford Escape 2020-2023: Воспроизведение мультимедиа через USB-порт. Зарядка устройства
Воспроизведение мультимедиа через USB-порт ПРЕДУПРЕЖДЕНИЕ: вождение в состоянии рассеянного внимания может привести к потере контроля над автомобилем, аварии и травмы. Мы настоятельно рекомендуем вы проявляете крайнюю осторожность при использовании любого устройство, которое может отвлечь вас от дорога. Вашей основной обязанностью является безопасная эксплуатация вашего...

avtotema.org