#заголовок

Hyundai Sonata: Схема системы охлаждения / Вентилятор охлаждения

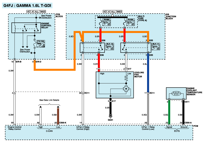
Принципиальная электрическая схема

Технические характеристики охлаждающего вентилятора
Спецификация ???? Мощность двигателя (Вт)170CTAX12200Тип вентилятораВытяжной Регулятор скорости вентилятораResiser (HI-LOW-OFF ) Объем воздуха (?/ч)2,650 -8% мин. 2800 мин. PRM1700 ±8%1800 ±8%Потребляемый ток (A)14. ...
Процедуры ремонта охлаждающего вентилятора
Снятие и установка Вентилятор охлаждения в сборе 1. Отсоедините клеммы аккумулятора. 2. Снимите нижнюю крышку. (См. Двигатель и трансмиссия в сборе — «Моторное отделение под крышкой») 3. Дис ...
Дополнительная информация:

Hyundai Sonata LF 2014-2019 Руководство по техническому обслуживанию: Датчик частоты вращения первичного вала 2 Технические характеристики
Спецификация ПараметрСпецификацияТипДатчик ХоллаУсловие работы (°C)°F(-40 ~ 150)-40 ~ 302Выходной сигнал (мА)Высокий: 11,8 ~ 16,8Низкий: 5,9 ~ 8,4 ...

Hyundai Sonata LF 2014-2019 Руководство по техническому обслуживанию: Задняя ступица - Компоненты несущей части и расположение компонентов
Компоненты [Тип EPB] 1. Задний багажник в сборе2. Пылезащитный чехол3. Задняя ступица в сборе4. Задний дисковый тормоз [Общий тип] 1. Стояночный тормоз в сборе2. Задняя ступица в сборе3. Задний дисковый тормоз ...

avtotema.org