#заголовок

Hyundai Sonata: Система охлаждения/регулятор температуры воды в сборе Компоненты и расположение компонентов

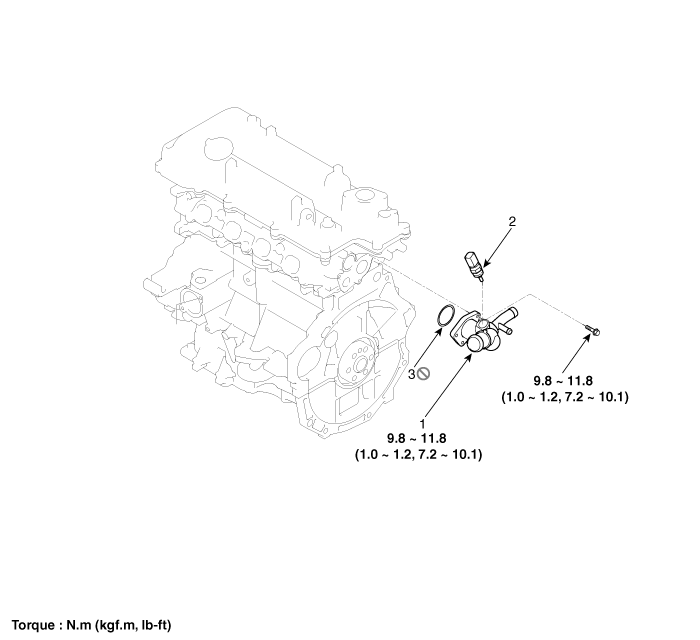
Hyundai Sonata LF 2014-2019 Руководство по ремонту / Механическая система двигателя / Система охлаждения / Компоненты узла контроля температуры воды и расположение компонентов

Компоненты

1. Узел контроля температуры воды
2. Датчик температуры воды
3. Прокладка

Процедуры ремонта охлаждающего вентилятора
Снятие и установка Вентилятор охлаждения в сборе 1. Отсоедините клеммы аккумулятора. 2. Снимите нижнюю крышку. (См. Двигатель и трансмиссия в сборе — «Моторное отделение под крышкой») 3. Дис ...
Процедуры ремонта узла контроля температуры воды
Снятие и установка 1. Ослабьте сливную пробку и слейте охлаждающую жидкость двигателя. Снимите крышку радиатора, чтобы быстро слить воду. 2. Отсоедините отрицательную клемму аккумуляторной батареи. 3. Убрать воздух...
Дополнительная информация:

Hyundai Sonata LF 2014-2019 Руководство по техническому обслуживанию: Порядок ремонта
Осмотр на автомобиле • Прежде всего, проверьте наличие кодов DTC. Если код неисправности присутствует, выполните поиск и устранение неисправностей в соответствии с процедурой для этого DTC. (Ссылаться на Руководство по коду неисправности) • Убедитесь, что кабели аккумуляторной батареи подключены к правильной клемме...

Руководство по эксплуатации Hyundai Sonata LF 2014-2019: Антиблокировочная система тормозов (ABS)
ПРЕДУПРЕЖДЕНИЕ Антиблокировочная тормозная система (ABS) или электронный контроль устойчивости (ESC) система не предотвратит несчастные случаи из-за неправильных или опасных маневров вождения. Несмотря на то, что при экстренном торможении контроль над автомобилем улучшается, всегда безопасное расстояние между вами и объектами впереди вас ...

avtotema.org