Ford Fusion Manuals
Разборка к Ford Fusion

Ford Fusion: Автоматическая коробка передач — 6-ступенчатая автоматическая коробка передач — 6F35 / Муфта переднего хода в сборе. Описание и работа

Переднее (1, 2, 3, 4) сцепление в разобранном виде

Ford Fusion. Forward Clutch Assembly. Description and Operation
Элемент Описание
1 Коробка передач
2 Центр поддержки
3 Передний (1, 2, 3, 4) поршень сцепления
4 Возвратная пружина поршня сцепления переднего хода (1, 2, 3, 4)
5 Стопор стопорного кольца поршня муфты переднего хода (1, 2, 3, 4)
6 Стопорное кольцо поршня муфты переднего хода (1, 2, 3, 4)
7 Волновая пружина сцепления переднего хода (1, 2, 3, 4)
8 Переднее (1, 2, 3, 4) сцепление
9 Передний (1, 2, 3, 4) нажимной диск сцепления
10 Стопорное кольцо муфты переднего хода (1, 2, 3, 4)
11 Передняя солнечная шестерня и кожух в сборе

Переднее (1, 2, 3, 4) сцепление Вид в разрезе

Ford Fusion. Forward Clutch Assembly. Description and Operation

Вперед (1, 2, 3, 4) Муфта механического действия

Муфта переднего хода — это тормозная муфта, которая удерживает переднюю солнечную шестерню и сборка корпуса. Муфта переднего хода включается на 1-й, 2-й, 3-й и 4-й передачах. шестерни.

Гидравлический давление от регулирующего клапана в корпусе клапана толкает вперед поршень сцепления против переднего пакета сцепления, чтобы включить сцепление. передняя солнечная шестерня и корпус в сборе удерживаются неподвижно на трансмиссии случае в результате включения сцепления.

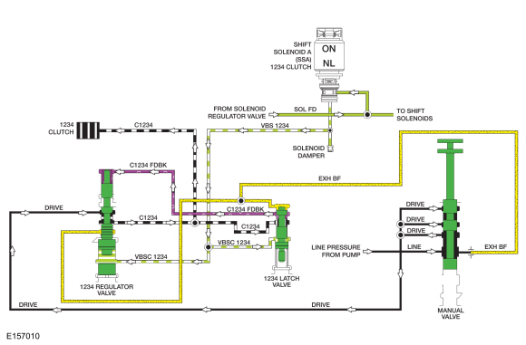
Гидравлические контуры муфты переднего хода (1, 2, 3, 4) (применяется на 1-й, 2-й, 3-й и 4-й передачах)

Ford Fusion. Forward Clutch Assembly. Description and Operation

Линия давление подается на регулирующий клапан 1234 ручным клапаном в положение DRIVE и LOW. Чтобы включить сцепление переднего хода (1, 2, 3, 4), SSA подает переменное давление соленоида на регулятор и защелку 1234 клапаны. Когда клапан регулятора перемещается, он подает вперед (1, 2, 3, 4) муфта и запорный клапан 1234 с регулируемым линейным давлением через Цепь С1234. Запорный клапан 1234 направляет регулируемое линейное давление к противоположной стороне клапана регулятора 1234 через FDBK C1234 схема постепенного переднего (1, 2, 3, 4) включения сцепления. Форвард (1, 2, 3, 4) сцепление включено на 1-й, 2-й, 3-й и 4-й передачах и в ручном режиме НИЗКОЕ положение.

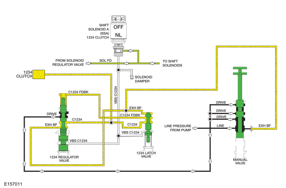
Гидравлические контуры муфты переднего хода (1, 2, 3, 4) (освобождены)

Ford Fusion. Forward Clutch Assembly. Description and Operation

При выключении муфты переднего хода (1, 2, 3, 4) на 5-й и 6-й передачах давление соленоида от SSA снимается с регулятора 1234 и запорных клапанов, которые позиционируют клапаны для блокировки давления в линии и освобождения прямого хода (1, 2, 3, 4) схватить. Когда сцепление переднего хода (1, 2, 3, 4) отпущено в ПАРКОВКЕ, ОБРАТНОЕ или НЕЙТРАЛЬНОЕ положение, линейное давление не подается на передний (1, 2, 3, 4) регулирующий клапан.

В отпущенное положение, выхлопная засыпка подведена к регулятору 1234 и запорные клапаны ручным клапаном по контуру ДП ДВ. направляется на муфту переднего хода (1, 2, 3, 4) для заполнения неиспользуемых цепей с трансмиссионной жидкостью без давления.

Для получения подробной информации о гидравлических контурах гидроблока и работе соленоида см.
Для получения дополнительной информации см.: Описание коробки передач — работа системы и описание компонентов (307-01A Автоматическая коробка передач — 6-ступенчатая автоматическая коробка передач — 6F35, Описание и работа).

Описание передачи — работа системы и описание компонентов. Описание и работа

С..

Сборка прямого сцепления. Описание и работа

Прямая (3, 5, R) муфта в разобранном виде Элемент Описание 1 Стопорное кольцо цилиндра прямого сцепления 2 Прямой цилиндр сцепления 3 Поршень прямого сцепления 4 Возвратная пружина поршня прямого сцепления 5 Уплотнения поршня прямого сцепления 6 Ступица муфты прямой/повышающей передачи 7 Входной вал 8 ..

Дополнительная информация:

Руководство по обслуживанию Ford Fusion 2013–2020: Правый сальник полуоси — полный привод. Снятие и установка


Специальные инструменты) / Общее оборудование 205-153 (Т80Т-4000-Ш) Ручка 307-718Установщик, уплотнение осиTKIT-2013B-FLTKIT-2013B-ROW Съемник Ударить кулаком Удаление Снимите раздаточную коробку в сборе. См. также: Блок переключения мощности (308-07B Блок переключения мощности — 6-ступенчатая автоматическая коробка передач — 6F35, Снятие). С помощью пробойника проделайте небольшое отверстие в полуоси.

Руководство по обслуживанию Ford Fusion 2013–2020: Переключатель управления передним сиденьем. Снятие и установка


Удаление Снимите винты бокового экрана. Снимите боковой щит. Поднимите заднюю часть бокового щитка и потяните наружу. Сдвиньте боковой щиток вперед. Отсоедините электрический разъем. Снимите ручки переключателей управления сиденьями. Снимите винты и переключатель управления сиденьем. ..