Hyundai Elantra: напольная консоль / Компоненты и расположение компонентов

Компоненты
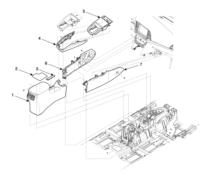
[М/Т]

1. Сборка напольной консоли
2. Коврик для подноса консоли
3. Крышка стояночного тормоза
4. Украшение консоли в сборе
5. Верхняя часть консоли в сборе
6. Боковая крышка передней консоли [левая]
7. Боковая крышка передней консоли [правая]

[В]

1. Сборка напольной консоли
2. Коврик для подноса консоли
3. Крышка стояночного тормоза
4. Украшение консоли в сборе
5. Верхняя часть консоли в сборе
6. Боковая крышка передней консоли [левая]
7. Боковая крышка передней консоли [правая]

Напольная консоль
...
Компоненты сборки напольной консоли и расположение компонентов
Расположение компонента 1. Сборка напольной консоли ...
Дополнительная информация:

Hyundai Elantra AD (2016-2020) Руководство по обслуживанию: Процедуры ремонта двигателя люка на крыше
осмотр 1. Отсоедините отрицательную (-) клемму аккумуляторной батареи. 2. Снимите обшивку крыши. (См. Кузов — «Отделка крыши») 3. Отсоедините разъем электродвигателя люка (А). 4. Заземлите клеммы, как показано в таблице ниже, и убедитесь, что люк в крыше работает. • Когда инс...

Hyundai Elantra AD (2016-2020) Руководство по техническому обслуживанию: Описание и работа электромагнитного клапана регулируемого впуска (VIS)
Описание Электромагнитный клапан регулируемого впускного коллектора (VIS) установлен на впускной коллектор. Клапан VIS управляет вакуумным модулятором, который активирует клапан во впускном коллекторе. ECM открывает или закрывает это клапана в зависимости от состояния двигателя (см. таблицу ниже). Состояние двигателя...