Hyundai Elantra: SRSCM / Принципиальные схемы

Принципиальная электрическая схема

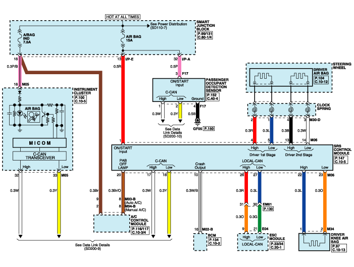
Компоненты и расположение компонентов
Компоненты 1. Передний правый датчик давления (FIS)2. Модуль управления дополнительной системой пассивной безопасности (SRSCM)3. Передний левый датчик давления и удара (FIS)4. Датчик гравитационного бокового удара (G-SIS)5. Пре ...
Модуль управления SRS (SRSCM) Компоненты и расположение компонентов
Компоненты 1. Модуль управления дополнительной удерживающей системой (SRSCM) Модуль управления дополнительной системой пассивной безопасности (SRSCM) NoConnector AConnector B1IGN 1Ground2Driver Датчик лобового столкновения - Высокий ...
Дополнительная информация:

Hyundai Elantra AD (2016-2020) Руководство по эксплуатации: замена колес, сцепление шин, уход за шинами
Замена колеса При замене металлических колес по любой причине убедитесь, что новые колеса эквивалентны оригинальным заводским единицам по диаметру, ширине обода и вылету. Сцепление шин Сцепление с шинами может ухудшиться, если вы ездите на изношенных шинах, шинах, которые неправильно установлены. надутый или на скользком р...

Hyundai Elantra AD (2016-2020) Руководство по эксплуатации: Предупреждающее сообщение
Система предупреждения о столкновении в слепых зонах (BCW) отключена. Радар заблокирован Это предупреждающее сообщение может появиться, когда: - Один или оба датчика на заднем бампере заблокированы грязью, снегом или посторонний предмет. - Вождение в сельской местности, где датчик не обнаруживает другое транспортное средство в течение расширенный ...