Hyundai Elantra: ABS (антиблокировочная система тормозов) / принципиальные схемы

Схематические диаграммы

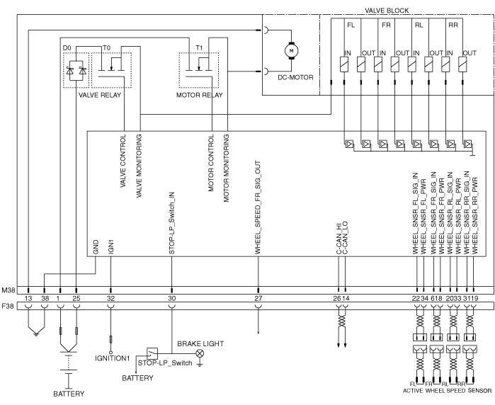
Терминальная функция

Номер провода
Обозначение
Текущий
Макс
мин
13
Земля для рециркуляционного насоса
39 А
10 А
1
Электропитание двигателя насоса
39 А
10 А
25
Электропитание электромагнитных клапанов
15 А
2 А
38
Масса для электромагнитных клапанов и ECU
15 А
2 А
22
Сигнал датчика скорости колеса FL
16,8 мА
5,9 мА
33
Электропитание активного датчика скорости вращения колеса RL
16,8 мА
5,9 мА
19
Электропитание активного датчика скорости вращения колеса RR
16,8 мА
5,9 мА
18
Электропитание активного датчика частоты вращения колеса FR
16,8 мА
5,9 мА
6
Сигнал датчика частоты вращения колеса FR
16,8 мА
5,9 мА
14
МОЖЕТ НИЗКИЙ
30 мА
20 мА
34
Электропитание активного датчика скорости вращения колеса FL
16,8 мА
5,9 мА
20
Сигнал датчика скорости вращения колеса RL
16,8 мА
5,9 мА
32
Напряжение для HECU
1 А
500 мА
31
Сигнал датчика скорости колеса RR
16,8 мА
5,9 мА
30
Выключатель стоп-сигнала
10 мА
5 мА
26
МОЖЕТ ВЫСОКАЯ
30 мА
20 мА
27
Выход датчика скорости колеса
Открытый сток


Описание и работа
Описание Эта спецификация относится к HCU (гидравлическому блоку управления) и ECU (электронный блок управления) HECU. (гидравлический и электронный Устройство управления) Эта спецификация предназначена для проводки ...
Процедуры ремонта
осмотр Прокачка системы ABS Эта процедура должна выполняться для обеспечения адекватного кровотечения. воздуха и наполнения блока ESC, тормозных магистралей и главного цилиндра с тормозной жидкостью. 1. Удалить т...
Дополнительная информация:

Hyundai Elantra AD (2016-2020) Руководство по эксплуатации: Электронный контроль устойчивости (ESC)
Система электронного контроля устойчивости (ESC) помогает стабилизировать автомобиль. при поворотах. ESC проверяет, куда вы рулите и где находится автомобиль. на самом деле идет. ESC подает тормозное давление на любой из тормозов автомобиля. и вмешивается в систему управления двигателем...

Hyundai Elantra AD (2016-2020) Руководство по техническому обслуживанию: Описание и работа датчика автоматического обогрева
Описание Датчик автозапотевания установлен на лобовом стекле стекло. Датчик определяет и посылает сигнал, если происходит выдувание влаги ветер для предотвращения запотевания. Модуль управления кондиционером получает сигнал от датчика и удерживает влагу и устраняет запотевание контроль...